Читать книгу 📗 "Между Сциллой и Харибдой (СИ) - Зеленин Сергей"
По крайней мере один недостаток виден невооружённым глазом: эта технология небезопасно и с ней могут работать только специально обученные люди. То есть, положим: в каждый ЖЭК с персоналом из «Афонь» – такой аппарат не поставишь, для очистки теплообменников от накипи.
На этом все возможные научно-технические варианты добычи столь мне нужного аммиака кончились, а так как магией – я так и не овладел, то от полной безнадёги – решил попробовать реализовать последний, действуя по принципу:
– Хуже не будет!
Да и, что немаловажно – из всех выше перечисленных способов добычи аммиака, он показался мне наиболее реально выполнимым в существующих условиях.
Осенью того же 1924 года, был получен доступ к практически холявному торфу, о чём я кажется уже рассказывал, дело осталось «за малым» – приобрести где-то оборудование для создания электрогидравлического эффекта в жидкости (ЭГЭ). Причём, меня не интересовали эксперименты: я на них уже вдоволь насмотрелся в своё время – смотря видео на «Ютубе».
– Или пан или пропан!
Оборудование, должно быть – именно промышленным.
В принципе, схему устройства для получения «ЭГЭ» достаточно проста: повышающим трансформатором, напряжение переменного тока увеличивается до нескольких киловольт. Далее он выпрямляется и подается на конденсатор, где накапливается до нужного значения. После этого, между размещенными в жидкости электродами возникает высоковольтный пробой – порождающий возникновение электрогидравлического удара, проявляющегося в виде громкого хлопка с локальным повышением давления в несколько десятков тысяч атмосфер.
Но, как это осуществить на практике?
В «Нижегородской радиолаборатории» (НРЛ), где мастерской по изготовлению радиоламп – уже заведовал мой друг, товарищ и верный соратник – Василий Васильевич Путин, мне ничем помочь не могли. Еще прошлой осенью в составе «Государственного треста заводов слабого тока» в, без пяти минут Ленинграде, была создана «Центральная радиолаборатория» и, центр советской радиопромышленности переместился из города на Волге в город на Неве. Туда уехали многие ведущие специалисты, в том числе – Вологдин Валентин Петрович, задолжавший мне за ртутные выпрямители и, начав потихонечку хиреть – в «НРЛ» занимались сторонними «леваками» в области электропромышленности, чтоб элементарно выжить.
Сам, этим на всю катушку пользуюсь и, хотя мною предпринимаются усиленные меры по обеспечению «автокефальности» – все мои движняки по электричеству, завязаны именно на «Нижегородскую радиолабораторию».
Согласно «послезнанию», в следующем – 1925 году, Правительством будет признано целесообразным передать «НРЛ» из подчинения Радиоотдела Народного комиссариата почты и телеграфа (НКПиТ) Научно-техническому отделу ВСНХ – для нужд проводной правительственной связи.
Ещё вот одна проблемка нарисовывается, которую придётся как-то решать!
Мой друг и сподвижник Василий Васильевич Путин, которого я – в моменты особого расположения духа называю по-простецки кратко «ВВП», запатентовав стерневую радиолампу – тотчас знаменитым на весь мир не стал. Удивительно, но этого эпохального в истории отечественной и мировой радиопромышленности события – никто как будто не заметил, хотя в соответствующих журналах «Радиотехник» и «Телеграфия и телефония без проводов» – были опубликованы краткие статейки с фотографиями.
Достаточно хорошо его изучив, не сомневаюсь: внутренне – Василий просто на овно исходит от такого наглого игнора, но внешне – он и виду не подаёт. Насупившись, набычившись, сделавшись ещё более угрюмым и злым, он не бегает по кабинетам – как это принято у хроноаборигенов и, не строчит заявления в ОГПУ – о «засилье буржуазных спецов», по заданию иностранных разведок – щемящих его, великого изобретателя. Он, послушавшись моих мудрых рекомендаций – денно и, даже нощно (о чём мне уже нажаловалась Аннушка – его законная «половина») – работает над усовершенствованием нашего совместного детища. И уже есть первые – достаточно впечатляющие результаты: его стержневые пентоды – напоминают формой уже не идеально прямой огурец только что с грядки, как это было с первым образцом – а прозрачную стеариновую свечку.
Ваще, наш Василий – молодец!
С одной стороны… А с другой стороны – он какой-то «односторонний» молодец.
Подкинул ему тщательно разжевав, идейку об селеновых выпрямителях и, даже – сам селен вместе с кадмием для первых опытов – с трудами тяжкими, но приобрёл… Вот только, уж как бы не год с тех пор прошёл – а воз и ныне там. Короче оказалось, что наш Вася молодец только в том, что касается радиоламп – очень узкой специализации «молодец», то есть.
Тем более, нечего ему поручать и лишний геморр по поводу оборудования для «ЭДЭ».
Тогда кому?
В «Нижегородской радиолаборатории» были ликвидированы лаборатории Вологдина и Шорина, а их сотрудники вместе с руководителями перебрались в Северную столицу – поближе к европейскому комфорту.
Осталась только лаборатория Владимира Васильевича Татаринова, заодно преподающего физику в Нижегородском университете. Но в ней работали над усовершенствованием передающих и принимающих антенн и, ничем не могли мне помочь. С Михаилом Александровичем Бонч-Бруевичем же, я несмотря на все старания – за всё время моего сотрудничества с учреждением им возглавляемым, никак встретиться не смог. Очень занятой товарищ: то в командировках, то на симпозиумах, а то и на правительственных совещаниях.
Ну, что ж… Когда гора не идёт к Пифагору… Или как там?
Короче, надо ехать в Питер!
Тем более, там у меня ещё есть одно небольшое дельце…
В сентябре прошлого года, я уже разок в Ленинграде побывал.
Это, когда встречал и затем с отрядом вневедомственной охраны – сопровождал до места немецкое оборудование для «Завода контрольно-измерительных инструментов имени Кулибина», что в одноимённой «Воспитательно-трудовой колонии (ВТК) для несовершеннолетних».
Помните, да?
Вот и в этот раз, уже весной 1925 года – случилась примерно такая же оказия и, я ей воспользовался для «ловли» сразу двух «зайцев»… Пожалуй, трёх или даже четырёх зайцев.
Ну, сперва закончим о «заклёпках».
Специалисты «Центральной радиолаборатории» в Ленинграде (ЦРЛ), с которыми мне довелось побеседовать – видимо не совсем понимали, чего мне от них надо – зато сразу сообразили, что мне «деньги ляжку жгут»…
Поэтому, «грузили» меня по полной!
Последний с кем я беседовал, был Валентин Петрович Вологдин. Хотя, из всех мне известных к тому времени «мастистых» советских радиотехников – с ним наиболее был близко знаком, но в конце концов – он меня конкретно «кинул» с ртутными выпрямителями и, поэтому сперва – я вообще хотел было его обойти стороной. Лишь, в самый последний момент – когда уже собирался выложить «лавы», дай думаю зайду к старому знакомцу…
И зашёл!
Валентин Петрович, сперва встретил меня довольно настороженно.
Но когда я передав привет от его брата (Виктора Петровича – ныне плотно окопавшегося в Ульяновске начальником «Лаборатории промышленной сварки»), под самовар поболтав об чём угодно – только не о неполученных от него «ништяках» – он оттаяв душой и, я изложил суть моей проблемы.

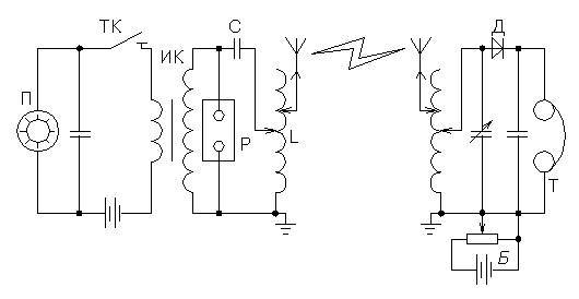
Рисунок 50. Типичная схема искрового передатчика и приемника начала XX века. В передатчике, схема которого показана слева, П – вращающийся прерыватель, ТК – телеграфный ключ, ИК – индукционная катушка, Р – разрядник.
В приемнике имеется колебательный контур. Цепь антенны и колебательный контур настраиваются в резонанс на частоту передатчика таким же способом, как и в передатчике. Кроме того, предусмотрена регулировка емкости колебательного контура; Д – кристаллический детектор, причем для подбора оптимального режима его действия предусмотрена батарея Б с делителем напряжения. Для воспроизведения принимаемого сигнала служит телефон Т.
