Читать книгу 📗 "Справочное пособие по цифровой электронике - Тули Майк"
Питание пульсатора, как и логического пробника, обычно берется от проверяемой схемы с помощью пары скрученных проводов, оканчивающихся зажимами типа «крокодил». Зажимы удобно подключать к выводам электролитических развязывающих конденсаторов или к выходным выводам стабилизатора.
Для иллюстрации приемов работы с логическим пульсатором обратимся к схеме двухфазного генератора синхронизации с делителем, показанной на рис. 3.16.
Рис. 3.16. Двухфазный делитель частоты синхронизации для микропроцессора. Логический пульсатор подключается в точке A, а логическим пробником касаются точки В.
Делитель выполнен на ТТЛ-микросхеме, представляющей собой сдвоенный JK-триггер (см. ее внутреннее устройство на рис. 3.17).
Рис. 3.17. Внутреннее устройство JК-триггера.
Отметим, что в этой микросхеме питание подается на нестандартные контакты.
Предположим, что на шине нет обоих сигналов синхронизации и модуль отсоединен от системной синхронизации, которая считается исправной. Подсоединим пульсатор на вход синхронизации IС2а и одновременно проконтролируем выход IС2Ь с помощью логического пробника. Для проверки правильности работы делителя нужно несколько раз нажать на кнопку и наблюдать изменения сигнала на выходе прибора. (Отметим, что пульсатор «перевешивает» любой логический выход микросхемы IC1.)
Узнавать, какой конкретно JK-триггер не работает, не имеет смысла, так как придется заменять всю микросхему. Убедившись в правильной работе IC2, необходимо проверить шинные драйверы IС3а и IС3Ь. Для этого нужно просто перенести логический пробник на соответствующую линию шины, продолжая подавать импульсы на вход синхронизации первого JK-триггера.
Глава 4
Таймеры
В цифровых схемах часто требуется источник импульсов с точно определенной длительностью. Обычно необходимы и одиночный импульс с заданной длительностью, и непрерывная последовательность импульсов с заданными частотой и коэффициентом заполнения. Первому требованию удовлетворяет моностабильная схема (см. гл. 3), а второму — астабильная схема. (Термин «астабильный» означает, что выход схемы не находится в стабильном или устойчивом состоянии, а непрерывно изменяется между низким и высоким уровнями, т. е. схему можно считать разновидностью генератора.)
Вместо проектирования схемы из традиционных логических элементов проще и экономичнее использовать одну из выпускаемых микросхем таймеров. Таймер может работать в обоих режимах, а для задания его рабочих параметров требуется очень мало внешних элементов.
До рассмотрения схемы типичного таймера уточним некоторые относящиеся к нему термины.
Частота повторения импульсов f импульсного сигнала характеризует число импульсов, приходящихся на заданный временной интервал, обычно на 1 с. Сигнал с частотой 1 кГц соответствует 1000 импульсам в секунду.
Период импульсов t импульсного сигнала — это время одного полного цикла импульса:
t = 1/f.
Период указанного выше импульсного сигнала составляет 1/1000 c, или 1 мс.
Коэффициент заполнения (КЗ), %, импульсного сигнала равен отношению tвкл (высокий уровень) к сумме tвкл и tвыкл (низкий уровень), т. е.
Сигнал, у которого tвкл = 1 мс и выкл = 1 мс, имеет коэффициент заполнения 50 %, т. е. собственно импульс действует в течение половины периода.
Коэффициент формы (КФ) импульсного сигнала равен отношению tвкл (высокий уровень) и tвыкл (низкий уровень).
Ширина импульса прямоугольной формы равна временному интервалу, измеренному на уровне 50 % амплитуды, в течение которого сигнал имеет высокий уровень (включен).
Время нарастания (фронта) импульса равно временному интервалу между точками 10 и 90 % его амплитуды. Время нарастания «идеального» импульса равно нулю.
Время спада (среза) tc импульса равно временному интервалу между точками 90 и 10 % его амплитуды. Время спада «идеального» импульса равно нулю.
На рис. 4.1 представлен типичный импульсный сигнал и показаны рассмотренные параметры.

Рис. 4.1. Типичные параметры импульсного сигнала.
Микросхема таймера 555, по-видимому, является одной из наиболее универсальных микросхем. Она не только сочетает в себе комбинацию аналоговых и цифровых схем, но и широко применяется в области цифровых генераторов импульсов. Чтобы разобраться в работе микросхемы, остановимся на ее внутреннем устройстве.
Упрощенная схема таймера 555 приведена на рис. 4.2.
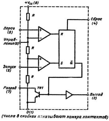
Рис. 4.2. Упрощенное внутреннее устройство таймера 555.
По существу, таймер состоит из двух операционных усилителей, используемых в качестве компараторов, и RS-триггера. Кроме того, предусмотрен инвертирующий выходной буфер, обеспечивающий достаточно высокую нагрузочную способность. Для быстрого разряда внешнего времязадающего конденсатора имеется транзисторный ключ TR1.
На рис. 4.3 показано включение стандартного таймера 555 в качестве астабильного генератора импульсов.
Рис. 4.3. Астабильная конфигурация таймера 555.
Предположим, что на Выходе (контакт 3) первоначально действует напряжение высокого уровня и транзистор выключен. Тогда конденсатор С начнет заряжаться от источника питания через резисторы R1 и R2.
Когда напряжение на входе Порог (контакт 6) превысит две трети напряжения питания, состояние на входе верхнего компаратора изменится, RC-триггер сбросится (0) и на выходе Q¯ появится напряжение высокого уровня, которое включает транзистор TR1. Из-за наличия инвертирующего буфера на Выходе (контакт 3) формируется напряжение низкого уровня.
Теперь конденсатор С будет разряжаться током, который протекает через резистор R2 и транзистор TR1.
Через некоторое время напряжение на входе Запуск (контакт 2) уменьшится до одной трети напряжения источника питания и нижний компаратор изменит свое состояние, возвратив триггер в исходное состояние (1). На выходе Q¯ образом, весь цикл работы таймера повторяется непрерывно.
Форма выходного сигнала схемы, показанной на рис. 4.3, аналогична сигналу на рис. 4.1. Основные параметры генератора рассчитываются следующим образом:
Для получения симметричного прямоугольного сигнала следует выбрать резистор R2 намного больше R1.
На рис. 4.4 показан стандартный таймер 555, работающий в моностабильном режиме. Для получения выходного импульса на входного импульса на вход Запуск подается спадающий
