Читать книгу 📗 "Искусство схемотехники. Том 1 (Изд.4-е) - Хоровиц Пауль"
Четырехвыводные стабилизаторы. Если условия применения не слишком жесткие, то лучше всего использовать трехвыводные регулируемые стабилизаторы. Исторически они предшествовали четырехвыводным, подключение которых показано на рис. 6.30.

Рис. 6.30.
На «управляющий» вывод подается часть выходного напряжения; стабилизатор регулирует выходное напряжение, поддерживая на управляющем выводе фиксированное напряжение (+3,8 В для стабилизаторов Lambda, указанных в табл. 6.9, +5 В для μΑ79θ и -2,2 В для стабилизаторов отрицательного напряжения). Четырехвыводные стабилизаторы ничем не лучше более простых трехвыводных (но и не хуже), и мы упоминаем здесь о них лишь для полноты картины.
6.18. Дополнительные замечания относительно трехвыводных стабилизаторов
Общие характеристики трех- и четырехвыводных стабилизаторов. Технические данные, приведенные ниже, типичны для большинства трех- и четырехвыводных стабилизаторов, как регулируемых, так и нерегулируемых. Они могут быть полезны при грубой оценке ожидаемых технических характеристик.
Допуск выходного напряжения… 1–2%
Падение напряжения… 0,5–2 В
Максимальное входное напряжение… 35 В (за исключением TL 783, для которого +125 В)
Подавление пульсаций… 0,01-0,1 %
Подавление всплесков… 0,1–0,3 %
Стабилизация по нагрузке… 0,1–0,5 % во всем диапазоне нагрузки
Подавление нестабильности входного напряжения постоянного тока… 0,2 %
Температурная нестабильность… 0,5 % по всему диапазону температур
Увеличение коэффициента подавления пульсаций. На рис. 6.29 показана схема включения стандартного трехвыводного стабилизатора; работает она превосходно. Тем не менее добавление шунтирующего конденсатора 10 мкФ между выводом для регулировки и землей (рис. 6.31) увеличивает подавление пульсаций (всплесков) почти на 15 дБ (в 5 раз по напряжению).

Рис. 6.31. Вывод «per.» для снижения помех и пульсаций можно зашунтировать, подключив для обеспечения безопасности разрядный диод.
Например, коэффициент подавления пульсаций LM317 достигает 65–80 дБ (последнее значение соответствует 0,1 В пульсаций на выходе при подаче на вход напряжения с пульсацией 1 В). Позаботьтесь о включении разрядного диода для безопасности; более детальную схему вы сможете составить, заглянув в технические данные конкретного стабилизатора.
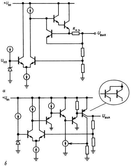
Стабилизаторы с малым падением напряжения. Как мы уже ранее упоминали, для работы большинства стабилизаторов требуется по крайней мере 2-вольтовая «добавка». Это объясняется тем, что база проходного n-р-n-транзистора находится под напряжением, которое выше напряжения на выходе на UБЭ, и должна запускаться от транзистора-формирователя, как правило, другого n-р-n-транзистора, база которого подключена к токовому зеркалу. Это уже два падения UБЭ. Далее, следует допустить еще одно падение UБЭ на резисторе-датчике тока для защиты схемы от короткого замыкания; взгляните на упрощенную схему 78Lxx на рис. 6, 32, а. Три падения UБЭ добавляются к 2 В, ниже этого напряжения стабилизатор перестает работать на полном токе.
С помощью проходного р-п-р-транзистора (или n-канального МОП-транзистора) «перепад» напряжения можно снизить, избавившись от трех UБЭ в обычной n-р-n-схеме и довести его почти до напряжения насыщения транзистора. На рис. 6.32, б показана упрощенная схема LM330 нерегулируемого стабилизатора +5 В (150 мА) с малым «перепадом» напряжения.

Рис. 6.32. Упрощенная схема 78Lxx (а); упрощенная схема LM330 (с низким перепадом) (б).
С помощью проходного р-п-р-транзистора выход схемы можно установить в пределах напряжения насыщения нестабилизированного входного напряжения. Исключив падение UБЭ на паре Дарлингтона в n-р-n-стабилизаторе, разработчики не собираются тратить падение на диоде в обычной (последовательный резистор) схеме защиты от короткого замыкания. Они пользуются хитроумным приемом: выводят часть выходного тока через второй коллектор. Этот ток составляет фиксированную долю выходного тока и используется, как показано на рисунке, для отключения управления базой. Такая схема ограничения тока не отличается точностью (Iогр составляет 150 мА мин. и 700 мА макс), но она достаточно эффективна для защиты стабилизаторов, которые имеют, помимо того, внутреннюю тепловую защиту.
Выпускается большое число распространенных типов стабилизаторов с малым «перепадом» напряжения, например трехвыводные нерегулируемые (LM2931, LM330, LT1083/4/5 (5 и 12 В), TL750), трехвыводные регулируемые (LT1083/4/5, LM2931) и микромощные (LP2950/1, МАХ664, LT1020). В табл. 6.8 и 6.9 включены все стабилизаторы с малым «перепадом», выпускаемые промышленностью на момент подготовки этого издания.
Стабилизаторы, ориентированные на процессоры. Для работы электронных устройств, содержащих микропроцессоры (гл. 10, 11), необходимо нечто большее, чем простое стабилизированное напряжение. Для того чтобы сохранить содержимое энергозависимой памяти (и данные, необходимые для восстановления работы), следует предусмотреть отдельный слаботочный источник постоянного напряжения; он может понадобиться при отключении устройства или в связи с выходом из строя источника питания. Кроме того, эти устройства должны «знать», когда обычный источник питания работоспособен, с тем, чтобы «проснуться» в известном состоянии. Более того, микропроцессорным устройствам может понадобиться несколько миллисекунд перед окончательным выходом из строя обычного источника для того, чтобы успеть передать данные в «безопасную» память.
До недавнего времени вы должны были сами проектировать для этих целей дополнительные схемы. Теперь жизнь стала легче — вы можете приобрести ИС стабилизаторов, ориентированные на (микро) — процессоры, с различными сочетаниями встроенных функций. Иногда эти ИС проходят под наименованием «ИС-наблюдатели для источников питания» или «сторожевые» ИС. Существует, например, LM2984, которая имеет два сильноточных выхода +5 В (один — для микропроцессора, другой — для остальных схем), слаботочный выход +5 В (для памяти) и выход отсроченного флажка ПЕРЕЗАПУСК для инициализации вашего микропроцессора после восстановления питания и вход управления включением/выключением для сильноточных выходов. Кроме того, у нее есть вход, который следит за работой микропроцессора, восстанавливая работу процессора, если тот был вынужден остановиться.
Примером сторожевой ИС без стабилизатора может служить МАХ691 фирмы Maxim, которая следит за стабилизированным напряжением питания и работой микропроцессора и посылает сигналы сброса (и «прерывание») в микропроцессор точно также, как LM2984. Однако в дополнение к функциям LM2984, она содержит схему предупреждения об отказе источника питания и схему переключения на батарейное питание. В сочетании с обычным стабилизатором +5 В ИС МАХ691 делает все, что необходимо для обеспечения жизнеспособности микропроцессора. В гл. 10 и 11 мы поближе познакомимся с обслуживанием и питанием микропроцессоров.
