Читать книгу 📗 "Искусство схемотехники. Том 1 (Изд.4-е) - Хоровиц Пауль"

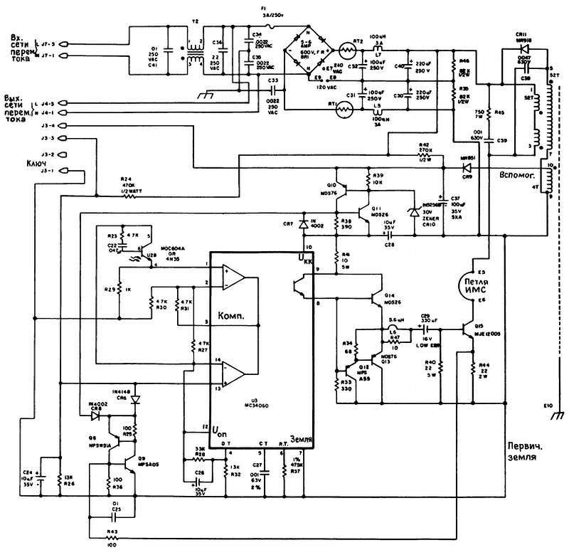
Рис. 6.46. Импульсный источник питания, используемый в персональном компьютере Tandy модель 2000. Обратная связь с выхода +5 В осуществляется через оптрон U2a - U2в (с разрешения фирмы Tandy Corporation). ВП — верхний порог; НП — нижний порог.
Мостовой выпрямитель (BR1), питающийся от сети, заряжает конденсаторы фильтра С30, C31, С32 и С40(Тр2 — это не трансформатор, обратите внимание на включение, а фильтр подавления помех). Заряженные конденсаторы подключаются к первичной обмотке трансформатора (выводы 1 и 3) с помощью мощного транзистора Т15, переключающее колебание (прямоугольный импульс переменной длительности фиксированной частоты) для которого вырабатывается ИС U3 (импульсным стабилизатором с ШИМ).
Вторичная обмотка (на самом деле их три, по одной на каждое выходное напряжение) включается в однополупериодную схему выпрямления для выработки напряжения постоянного тока: +12 В вырабатывается с помощью CR2 от 7-витковой обмотки с выводами 11 и 18, —12 В — с помощью СR4 от 5-витковой обмотки с выводами 13 и 20 и +5 В — с помощью запараллеленных CR3 и CR14, причем каждый подключен к своей собственной (2-витковой) обмотке.
В импульсных источниках с несколькими выходами для обратной связи можно использовать только один выход. Для этих целей обычно используют источник питания логики +5 В; так поступили и в данном случае: R10 снимает часть (точнее 50 %) выходного напряжения +5 В, которая сравнивается с внутренним эталонным напряжением +2,5 В на U4, и, если напряжение слишком велико, включается фотодиод U2A. Фотодиод имеет оптическую связь с фототранзистором U2B, который изменяет длительность импульсов U3 и поддерживает выходное напряжение на уровне +5 В. Таким образом, блок, помеченный на рис. 6.45 как «изоляция», представляет собой оптопару (см. разд. 9.10).
До этого момента мы объяснили назначение около 25 % компонентов рис. 6.46. Остальные необходимы для того, чтобы справиться с такими проблемами, как а) защита от короткого замыкания, б) отключение при перенапряжениях и пониженном напряжении, в) вспомогательный источник для схемы стабилизации, г) фильтрация сети переменного тока и д) линейная постстабилизация источников ± 12 В. Объясним эту часть схемы более подробно.
На входе сети переменного тока мы обнаруживаем 4 конденсатора: и пару последовательных индуктивностей, образующих в сочетании фильтр для подавления радиопомех. Это, конечно, всегда полезно очистить сеть переменного тока при подаче ее в устройство (см. разд. 6.11); в данном случае, однако, необходима дополнительная тщательная фильтрация для того, — чтобы радиочастотные помехи, создаваемые внутри машины (главным образом, за счет переключений в источнике питания), не излучались через силовую сеть. Обратите внимание также на перемычку Е8Е9, которая преобразует вход из двухполупериодного моста (перемычка снята) в двухполупериодный удвоитель напряжения (перемычка установлена); изготовители, желающие экспортировать свою электронную продукцию, должны обеспечить совместимость с сетью 110/220 В; это значительно проще сделать в случае импульсных источников.
Термисторы RT1 и RT2 используются для ограничения высокого пускового тока, когда источник включается первый раз и сеть обнаруживает в некоторой точке несколько сотен микрофарад незаряженной емкости. Без термисторов (или без других средств) пусковой ток легко может превысить 100 А! Термисторы дают всего один-два Ома последовательного сопротивления, которое падает почти до нуля, когда они прогреты. Даже при использовании термисторов пусковой ток может быть весьма значительным: источник питания имеет специфицированный «входной экстраток» 70 А макс.
Последовательные индуктивности L5 и L7 величиной 100 мкГн в нестабилизированном источнике также предназначены для фильтрации импульсных помех, а шунтирующие резисторы 82 кОм (R35 и R46) служат для обеспечения полного разряда конденсаторов фильтра после отключения питания. Несколько дополнительных «амортизирующих» пассивных компонентов использованы для демпфирования больших всплесков напряжения, которые могли бы привести к повреждению переключающего транзистора Т15. Функция CR11 более тонкая — он искусно возвращает неиспользованную энергию трансформатора на конденсаторы фильтра С30 и С40.
Двигаясь вниз, мы сталкиваемся с поистине хитроумной схемой, называемой «вспомогательный источник». Для работы ИС контроллера ШИМ и связанных с ним схем требуется низковольтный и слаботочный источник постоянного напряжения. Одной из возможностей является использовать отдельный небольшой линейный источник со своим собственным сетевым трансформатором и т. п.
Соблазнительно, однако, подвесить еще одну обмотку (с однополупериодным выпрямителем) на Т1, избавляясь от отдельного трансформатора. Как раз это и сделал здесь разработчик с помощью 4-витковой обмотки (выводы 9 и 10), напряжение с которой выпрямляется и фильтруется элементами CR9 и С31. Этот простой источник формирует выход с номинальным напряжением 15 В.
Наблюдательный читатель может заметить в этой схеме один изъян: схема не может запустить сама себя, поскольку вспомогательное напряжение появляется только тогда, когда уже работает источник питания! Оказывается, что это старая проблема: разработчики телевизоров любят пошутить таким же образом, формируя все свои низковольтные напряжения от вспомогательных обмоток на высокочастотном трансформаторе горизонтальной развертки. Эта проблема решается с помощью так называемой схемы с ударным запуском, в которой для запуска схемы привлекается некоторое нестабилизированное напряжение; однажды запущенный, источник поддерживает сам себя от постоянного напряжения, полученного от собственного трансформатора. В данной схеме ударный запуск поступает через R42 и при включении питания начинает заряжать С31. Далее ничего не происходит, пока напряжение на конденсаторе не превысит напряжение стабилитрона CR10 на величину прямого падения напряжения диодного p-n-перехода тиристорнообразное сочетание Т10 и Т11 переключается в состояние проводимости (подумайте, как это работает), ослабляя заряд С37 за счет конденсатора С28 и обеспечивая, таким образом, кратковременную подачу питания на управляющую схему (U3 и все компоненты влево от нее). Раз генератор запустился, CR9 начинает вырабатывать напряжение 15 В и ток, достаточный для непрерывной работы управляющей схемы (R42 обеспечить это не в состоянии).
Большинство компонентов вокруг U3 обслуживают ее (С27и R31, например, устанавливают частоту повторения импульсов 25 кГц). На стороне входа U2B обеспечивает общую обратную связь для поддержания выхода на уровне +5 В, как ранее описано. Т8 и Т9 образуют еще одну тиристорноподобную защелку; здесь она запускается для того, чтобы «заткнуть» генератор (и последовательный фиксирующийся ключ Т10Т11), если ток эмиттера Т15 (считываемый с помощью R44) становится слишком большим, например, если источник питания обнаруживает короткое замыкание на выходе.
