Читать книгу 📗 "Искусство схемотехники. Том 1 (Изд.4-е) - Хоровиц Пауль"
Рис. 6.65. б — регулируемый стабилизированный биполярный источник опорного напряжения;

Рис. 6.65. в — схема со следящим предварительным стабилизатором;

Рис. 6.65. г — автоматический регулятор света для лампы накаливания;

Рис. 6.65.д — прецизионный мощный источник напряжения;
Рис. 6.65. е — импульсная лампа (из технических данных NSC 317);
Рис. 6.65. ж — источник опорного напряжения +5 В на основе одного источника опорного напряжения на 2 выхода;

Рис. 6.65. з — трехвыводные стабилизаторы с повышенным подавлением пульсаций (диоды защищают от коротких замыканий входа и выхода);

Рис. 6.65. и — мощный источник тока;

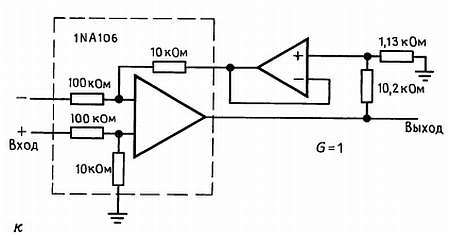
Рис. 6.65. к — дифференциальный повторитель с диапазоном синфазного сигнала +100 В;

Рис. 6.65. л — источник постоянного напряжения/постоянного тока;
Рис. 6.65. м — «самый простой в мире» преобразователь постоянного тока;
Рис. 6.65. н — портативный источник опорного напряжения;

Рис. 6.65. о — усилитель токового шунта: ОУ типа модулятор-демодулятор использует в качестве резистора съема тока возвратный провод питания калибра 20 длиной 1,2 дюйма; напряжение питания ОУ — от +5 до +15 В;

Рис. 6.65. п — схема контроля тока;

Рис. 6.65. р — сильноточный биполярный источник тока.
6.27. Плохие схемы
На рис. 6.66 показано несколько схем, которые, наверняка, не будут работать. Проанализируйте их и вы сможете в дальнейшем избежать подобных ловушек.

Рис. 6.66. а — простой источник стабилизированного напряжения;

Рис. 6.66. б — источник +5 В;

Рис. 6.66. в — источник +5 В;
Рис. 6.66. г — расщепленный источник ±15 В;

Рис. 6.66. д — источник +5 В;

Рис. 6.66. е - стабилизатор на +15 В;

Рис. 6.66. ж — стабилизатор с ограничением тока;

Рис. 6.66 з — схема автоматического шунтирования источника питания с тиристорной защитой.
Дополнительные упражнения
1. Спроектируйте стабилизированный источник с напряжением точно +10,0 В и током до 10 мА, используя ИС723. В вашем распоряжении имеется трансформатор на 15 В (эфф.), 100 мА; диоды в любом количестве, различные конденсаторы, схема 723, резисторы и подстроечный потенциометр на 1 кОм. Выберите резисторы так, чтобы при их стандартных значениях (5%) диапазона подстройки потенциометра хватило бы для компенсации производственного разброса источника опорного напряжения (от 6,80 до 7,50 В).
2. Спроектируйте стабилизатор напряжения на +5 В, 50 мА для нестабилизированного входа +10 В, используя следующие компоненты: а) стабилитрон и эмиттерный повторитель, б) трехвыводной стабилизатор 7805, в) стабилизатор 723, г) стабилизатор 723 и внешний проходной и npn-транзистор; используйте схему ограничения тока с обратным наклоном характеристики, настроенную на 100 мА (граничное значение тока при полном выходном напряжении) и ток короткого замыкания 25 мА, д) трехвыводной регулируемый стабилизатор положительного напряжения 317, е) дискретные компоненты, источник опорного напряжения на стабилитроне и обратную связь. Докажите, что величины компонентов выбраны правильно; для а), в) и е) обеспечьте ограничение тока на уровне 100 мА.
3. Спроектируйте полный источник питания на +5 В, 500 мА для цифровой логической схемы. Начните с начала (от настенной розетки 115 В переменного напряжения), определяя такие вещи, как напряжение и номинальный ток трансформатора, величины конденсаторов и т. п. Для того чтобы облегчить себе работу, используйте трехвыводной стабилизатор 7805. Не расточайте сверх меры емкости, но сделайте так, чтобы ваша схема выдерживала 10%-й разброс всех параметров (сетевого напряжения, допуски параметров трансформатора и конденсаторов и т.п.). Когда закончите, рассчитайте потери в стабилизаторе в худшем случае. Затем, применив внешний проходной транзистор, модифицируйте схему для обеспечения нагрузочной способности 2 А. Встройте токоограничивающую схему на 3 А.
Таблицы
1
 
	![Пауль Хоровиц - Искусство схемотехники. Том 1 [Изд.4-е] - Читать 📖 Читать онлайн 👀 Читаемые книги читать онлайн бесплатно 🔥 booksread-online.com](/uploads/posts/books/203165/203165.jpg)