Читать книгу 📗 "Шаг за шагом. Усилители и радиоузлы - Сворень Рудольф Анатольевич"
Теперь о схемах (рис. 44, 46, 51, 61). С первой из них мы уже знакомы (рис. 30, 30), и поэтому о ее построении, о назначении отдельных деталей не имеет смысла говорить. Для питания усилителя используется кенотронный выпрямитель с силовым трансформатором от приемника «Рекорд-61».


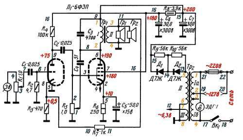
Рис. 46. Одноламповый усилитель.

Рис. 47, 1
Рис. 47, 2
Рис. 47, 3

Рис. 47, 4

Рис. 47, 5
Рис. 47. Конструкция радиограммофона.
Сейчас, пожалуй, стоит отвлечься от наших первых усилительных схем и поговорить более подробно о выпрямителях. Это нужно, чтобы раз и навсегда покончить с проблемой питания, чтобы она в дальнейшем не отвлекала нас, когда мы будем знакомиться с новыми усилителями.
Режим работы усилителя определяется анодным напряжением (табл. 12 и 13), а оно, в свою очередь, зависит от выбранного силового трансформатора. На первых двух схемах указаны режимы ламп для случая, когда в качестве Тр2 используется силовой трансформатор от приемника «Рекорд-61». Этот трансформатор дает выпрямленное напряжение около 230 в, что позволяет получить выходную мощность до 3–4 вт.



* Для двухтактных каскадов (отмечены звездочкой) значения Iа0, Iэ0 и Rвых указаны для всего каскада, то есть для двух ламп, а значения всех напряжений и Rа. опт — для одной лампы.
Нужно сказать, что такая мощность не всегда нужна. Так, например, если для радиограммофона выбрана первая конструкция (рис. 47, 2, а) и используется один громкоговоритель 1ГД-9, то вполне можно ограничиться выходной мощностью до 1,5 вт. Для этого удобнее всего снизить анодное напряжение, применив трехзвенный фильтр (рис. 48, 2).
Обратите внимание, что напряжение на анод выходной лампы (рис. 46) подается с конденсатора C7 (аналогично схеме рис. 30, 18). Это сделано для того, чтобы анодный ток лампы не проходил через R8 и на этом сопротивлении не терялась слишком большая часть выпрямленного напряжения. Такая хитрость позволяет повысить напряжение на анодах, но несколько увеличивает уровень фона — на анод выходной лампы поступает плохо отфильтрованное напряжение.
В том случае, когда от усилителя требуется повышенная выходная мощность (лампа 6П14П может отдать 4–5 вт), анодное и экранное напряжения нужно повысить. Для этого выбирают другой силовой трансформатор и даже применяют другую схему выпрямителя.
Распространенные схемы анодных выпрямителей приведены на рис. 48, 1, а в табл. 14 — данные ряда силовых трансформаторов. В предпоследней колонке этой таблицы указано эффективное значение переменного напряжения (UII) на повышающей обмотке трансформатора (для двухполупериодных — на половине обмотки). Можно считать, что такую же величину будет иметь и выпрямленное напряжение, хотя при достаточно большой емкости первого конденсатора фильтра Сф1 выпрямленное напряжение может быть на 15–25 % выше, чем UII.

Необходимо учитывать и то, что некоторая часть выпрямленного напряжения теряется в фильтре. Грубо говоря, напряжение U'в на выходе выпрямителя (на входе фильтра) должно быть примерно на 10 % больше, чем требуется для усилителя. Для переносных радиограммофонов имеет смысл применять только первые четыре трансформатора. Остальные пригодны для установок большей мощности, в том числе для радиоузлов.
Все схемы выпрямителей (рис. 48, 1) можно разделить на три группы: однополупериодные (а, б, в,), двухполупериодные (г, е) и мостовые (д). Первые работают через такт, то есть используют только один из двух полупериодов переменного напряжения (рис. 30, 16) и дают ток с частотой пульсаций 50 гц. По возможности, следует отдавать предпочтение двухполупериодным и мостовым схемам (рис. 30, 17), где используются оба полупериода и частота пульсаций составляет уже 100 гц. Это облегчает фильтрацию пульсирующего напряжения: чем выше частота, тем меньше может быть емкость конденсаторов фильтра Сф1, Сф2, Сф3, замыкающих накоротко переменную составляющую этого напряжения. Кроме того, однополупериодная схема при прочих равных условиях дает более низкое выпрямленное напряжение.

рис. 30, 16

рис. 30, 17
Для двухполупериодного выпрямителя нужен трансформатор с двумя повышающими обмотками IIа, IIб, точнее, с одной обмоткой, имеющей удвоенное число витков и вывод от средней точки. Для выполнения мостовой схемы нужна одна повышающая обмотка, но зато необходимо иметь четыре вентиля. В последние годы мостовая схема применяется наиболее широко, так как появилась возможность использовать в выпрямителе плоскостные полупроводниковые диоды (табл. 15), а также типовые селеновые вентили (ABC), собранные для мостовой схемы и спрессованные в пластмассу [9].

При выборе схем и деталей выпрямителя можно вести себя довольно смело. Следует учитывать лишь два главных фактора: постоянное напряжение Uв, которое нужно подвести к усилителю, и общий анодно-экранный ток Iв, который он потребляет. Величина тока лимитируется самим вентилем, а также диаметром провода повышающей обмотки: чем толще провод, тем больший ток можно через него пропустить, не опасаясь перегрева. Ориентировочное значение допустимого тока Iв приводится в таблице 11. В двухполупериодных и мостовых схемах можно получить Iв в два раза больший, чем это указано для одного вентиля (табл. 15, рис. 80).
Наиболее опасно для вентиля обратное напряжение Uобр., которое действует в тот момент, когда вентиль не пропускает тока. Это напряжение представляет собой сумму постоянного Uв и амплитуды переменного UII ампл. напряжений. Поэтому вентиль выбирают с большим запасом — он должен выдерживать обратное напряжение, которое значительно превышает выпрямленное. В однополупериодных и двухполупериодных схемах допустимая для данного вентиля величина Uобр (табл. 15, рис. 80) должна быть в три раза больше, а в мостовых в полтора раза больше, чем выпрямленное напряжение. И в тех случаях, когда один вентиль может не выдержать подводимого напряжения, соединяют последовательно два вентиля, например два полупроводниковых диода. При этом вентили (диоды) шунтируют одинаковыми сопротивлениями, чтобы напряжение всегда распределялось между ними поровну (рис. 48, 1, а, г).
