Читать книгу 📗 "Искусство схемотехники. Том 2 (Изд.4-е) - Хоровиц Пауль"
Тактирование. Среди выпускаемых промышленностью в виде стандартных ИМС счетчиков одни могут тактироваться положительным перепадом, а другие отрицательным. Более существенно, здесь то, является ли счетчик синхронным или асинхронным. В синхронных счетчиках тактирование всех триггеров происходит одновременно, а в асинхронных каждый последующий триггер тактируется выходом предыдущего. В асинхронных счетчиках имеют место переходные состояния, так как начальные триггерные ступени перебрасываются несколько раньше последующих: Например, при переходе от рис. 8.70.

Рис. 8.70. Сдвоенный двоично-десятичный счетчик со сквозным переносом типа 74LS390.
Сдвоенный двоично-десятичный счетчик со сквозным переносом типа 74LS390. числа 7 (0111) к числу 8 (1000) асинхронный счетчик пройдет через состояния 6, 4 и 0. Это может привести к ложной работе схемы, воспринимающей текущее состояние счетчика, если в ней не будут предусмотрены соответствующие меры. В таких случаях желательно использовать что-либо подобное D-триггеру, чтобы анализировать состояние счетчика только по тактовому перепаду. Асинхронные счетчики работают медленнее синхронных, так как они накапливают задержку распространения. Для облегчения наращивания (путем подключения выхода Q одного счетчика к тактовому входу последующего) асинхронные счетчики должны иметь вход, который работает по заднему фронту, синхронные счетчики тактируются положительным перепадом.
Мы рекомендуем семейство `160-`163 4-разрядных синхронных счетчиков для большинства применений, где не требуется специальных особенностей. Схемы 590 и 582 являются хорошими 8-разрядными синхронными счетчиками. На рис. 8.70 показан сдвоенный двоично-десятичный счетчик типа 390.
Суммирование/вычитание. Некоторые счетчики могут считать в обоих направлениях. Для этого существует две возможности: а) отдельный управляющий вход (+/—), который устанавливает направление счета и б) два раздельных счетных входа для прямого и обратного счета. Например, схемы `191 и `193 соответственно. Схемы `569 и `579 являются 8-разрядными счетчиками, считающими в обоих направлениях.
Предварительная установка и очистка. Большинство счетчиков имеют информационные входы, которые позволяют предварительно заносить в них заданное число. Это, в частности, может потребоваться для построения счетчика по модулю n.
Загрузка может быть как синхронной, так и асинхронной: в устройствах `160-`163 используется синхронная загрузка. Это означает, что ввод данных в счетчик производится по очередному перепаду тактового импульса при условии, что на линии ЗАГРУЗКА действует разрешающий сигнал. Счетчики `190-`193 являются асинхронными, или асинхронно загружаемыми; это значит, что информация вводится в счетчик при наличии разрешающего сигнала «ЗАГРУЗКА» независимо от состояния тактовой цепи. Иногда используется термин «параллельная загрузка», так как все биты загружаются одновременно.
Функция СБРОС (или УСТАНОВКА в «0») является формой предустановки. В большинстве счетчиков вход СБРОС — асинхронный, хотя в некоторых типах используется синхронный СБРОС (например, `162/163).
Прочие особенности счетчиков. В некоторых схемах на выходных линиях используются фиксаторы, которые всегда являются «прозрачными фиксаторами», и следовательно, счетчик может использоваться так, как если бы защелки не было (следует помнить, что любой счетчик с параллельными входами может работать как защелка, однако при этом нельзя одновременно производить счет и хранить информацию). Иногда очень удобно иметь счетчик в сочетании с фиксатором, например в том случае, когда после начала нового цикла счета необходимо воспроизвести или вывести предыдущее значение. В частотомере это позволяет получить устойчивую индикацию с корректировкой после каждого цикла отсчета и не воспроизводить на индикаторе все текущие состояния счетчика, сбрасывая его в нуль после окончания каждого цикла.
Имеются счетчики с выходами на 3 состояния. Они незаменимы для применений, где цифры (или 4-разрядные группы) мультиплексируются на одну шину для отображения или передачи в другое устройство. Например, устройство 779 представляет собой 8-разрядный синхронный двоичный счетчик с выходами на 3 состояния, которые могут работать как параллельные входы. Посредством объединения линий ввода/вывода счетчик размещается в 16-контактном корпусе. Устройство `593 подобно предыдущему, но выполнено в 20-контактном корпусе.
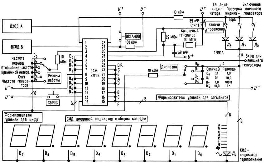
Если вы захотите использовать счетчик вместе с индикатором, то к вашим услугам несколько устройств, объединяющих в одном кристалле счетчик, регистр, 7-сегментный дешифратор и формирователь уровней для управления индикатором. Например, серия 4-разрядных счетчиков 74С925-74С928. Выпускается также схема TIL 306/7, представляющая собой счетчик и индикатор на одном кристалле. Стоит посмотреть на этот прибор, который считает и высвечивает отдельные цифры! На рис. 8.71 показана очень удачная БИС счетчика, которая не требует большого числа дополнительных компонентов.

Рис. 8.71. 8-знаковый универсальный однокристальный счетчик на 10 мГц типа Intersil 7216
(с разрешения фирмы Intersil Inc.)
В табл. 8.10 в конце главы представлены данные большинства счетчиков-кристаллов, которые вы можете использовать. Многие из них находятся только в одном семействе (например, LS или F), так что обязательно проверьте по справочнику перед проектированием.
8.26. Регистры сдвига
Если несколько триггеров соединить так, что выход Q каждого предыдущего триггера будет управлять D-входом последующего, а все тактовые входы будут возбуждаться одновременно, то получится схема, которую называют «регистр сдвига». По каждому тактовому импульсу комбинация «нулей» и «единиц» в регистре будет сдвигаться вправо, а слева через D-вход первого триггера будет вводиться новая информация. Как и во всех триггерных схемах, информация на левом входе, присутствующая непосредственно перед возникновением тактового импульса, будет введена в регистр, и на выходе будет обычная задержка распространения. Таким образом, регистры можно объединить каскадно, не ожидая возникновения режима логических гонок.
Регистры сдвига широко используются для преобразования данных из параллельной формы (n бит поступает одновременно по n независимым линиям) в последовательную (биты один за другим передаются по информационной линии) и наоборот. Они также применяются в качестве запоминающих устройств, особенно в тех случаях, когда данные считываются и записываются всегда одинаковым образом. Регистры сдвига, как и счетчик, и фиксаторы, представлены большим числом разнообразных модификаций. Все наиболее важные моменты, связанные с регистром сдвига, будут рассмотрены ниже.
Объем. 4-разрядные и 8-разрядные регистры являются стандартными. Выпускаются также регистры и с большим объемом (64 бита и больше). Существуют даже регистры с переменной длиной (например, схема 4557 может изменять свою длину от 1 до 64 бит с помощью 6-разрядного входа управления).
Организация. Обычно регистры сдвига являются одиночными, однако выпускаются также сдвоенные, счетверенные и сшестеренные регистры. Большинство регистров сдвига производят сдвиг только вправо, но существуют и регистры со сдвигом в обоих направлениях, такие как `194' и `323', которые имеют вход «направление» (рис. 8.72). Остерегайтесь хитростей типа «двунаправленности» у схемы `95': регистр может сдвигать влево только, если соединить предварительно каждый выход с предыдущим входом, затем произвести параллельную загрузку.
