Читать книгу 📗 "Электроника?.. Нет ничего проще! - Эймишен Жан-Поль"
Н. — Но это тоже далеко не чудо. Не велик подвиг уметь считать до трех.

Л. — Да, но это быстро станет очень интересным. Мы соберем целую серию триггеров по приведенной на рис. 82 схеме и сделаем так, чтобы, опрокидываясь, один триггер передавал сигнал на вход другого. Например, мы приложим напряжение коллектора транзистора Т1 каждого триггера на дифференцирующую схему (один из вариантов которой приведен на рис. 64). При каждом возвращении на нуль триггер подаст отрицательный импульс на вход следующего и тем самым заставит его опрокинуться (рис. 116).

Рис. 116. Двоичный счетчик состоит из цепочки триггеров, где один управляет другим; состояние каждого триггера индицируется лампочкой.
Н. — Я охотно допускаю, что каждый прямоугольник обозначает триггер с двумя устойчивыми состояниями со схемы на рис. 82, но я совершенно не понимаю, откуда у каждого такого триггера взялось по два входа и выхода.
Л. — Двумя входами служат конденсаторы С3 и С4 со схемы на рис. 82. Здесь я, как и раньше, подаю сигнал одновременно на оба входа, но так поступают не всегда. Два выхода соединены с коллекторами транзисторов. Рассмотрим цепочку из таких триггеров.

Предположим, что вначале они все стоят на нуле. Как ты видишь, каждый раз при получении нечетного количества импульсов первый триггер станет на единицу, а после прохождения нечетного числа импульсов вернется на нуль. Второй триггер переключится на единицу после второго импульса, останется в этом положении после третьего и вернется на нуль после четвертого импульса, затем пропустит в этом положении пятый импульс. Продолжая рассматривать поведение цепочки триггеров, ты можешь прийти к выводу, что чем дальше в цепочке стоит триггер, тем реже он переключается. Впрочем, в этом нет ничего удивительного, так как каждый из них делит частоту поступающего к нему сигнала на два. Мне достаточно определить положение триггеров, например, с помощью маленькой лампы, загорающейся при переключении триггера на единицу, чтобы узнать, сколько сигналов пришло на вход цепочки. Я напишу 1 под лампой первого триггера, 2 под лампой второго, 4 под лампой третьего, 8 под лампой четвертого, 16, 32 и 64 соответственно под лампами пятого, шестого и седьмого…
После прохождения некоторого количества импульсов мне останется лишь выписать числа под горящими лампочками и сложить их. Сумма даст мне количество поступивших импульсов. Как ты видишь, прибавляя новый каскад, я каждый раз удваиваю максимальное число. Так, с помощью цепочки из десяти каскадов я могу считать до 1024, а при наличии 11, 12 и 13 каскадов мои возможности считать увеличиваются соответственно до 2048, 4096 и 8192. Ты видишь, что предел растет довольно быстро.

Н. — Согласен, но все же это довольно сложно. А в довершение всего ты не можешь быть уверен, что количество поступивших импульсов не превысило максимального числа, которое твой счетчик способен отобразить. В таком случае ты не будешь знать, насколько можно верить его показаниям.

Л. — Есть способ узнать, превысило ли число поступивших импульсов возможности нашего счетчика. Для этого достаточно после последнего триггера поставить триггер специальной конструкции, который может срабатывать только один раз. Такой триггер, например, можно собрать по схеме, приведенной на рис. 82, убрав из нее конденсатор С4. Полученное устройство при поступлении первого импульса переключится на единицу, но потом останется в этом положении, сколько бы импульсов ни пришло. Такой триггер, установленный после последнего, будет служить там в качестве системы безопасности. Если последний счетный триггер не вернется на нуль, то и триггер безопасности всегда будет стоять на нуле. Следовательно, до тех пор, пока триггер безопасности стоит на нуле, мы можем быть уверены в правильности показаний счетчика. Во всяком случае стараются поставить достаточное количество каскадов, чтобы счетчик всегда мог сосчитать поступающие импульсы без необходимости «повторять цикл», т. е. возвращать на нуль из-за превышения максимального допустимого числа.
Н. — В этих условиях я допускаю, что при достаточном количестве каскадов твой счетчик способен считать до 8192 или вдвое больше и что поэтому его можно признать взрослым. Но меня огорчает, что для определения количества поступивших импульсов приходится складывать множество чисел, некоторые из которых могут быть относительно сложными. Но это совершенно не означает, что я не вижу, какого прогресса мы достигли по сравнению с механическим счетчиком.
Л. — Твой механический счетчик проще по устройству, а его показания легче прочитать. Но я повторяю, что при удачном выборе первых триггеров в цепочке мы можем считать импульсы, следующие со скоростью нескольких миллионов и даже нескольких десятков миллионов в 1 сек.
Н. — Об этом я не думал, но тогда потребуется действительно солидное количество каскадов, иначе возможности твоего счетчика быстро окажутся недостаточными.
Л. — С этим доводом нельзя не согласиться, так как способный считать до миллиона счетчик должен иметь 20 каскадов. Но я напоминаю тебе, что эти каскады, особенно работающие в невысоком ритме, относительно просты. И я полностью согласен с тобой, что такой бинарный счетчик (работающий в бинарной системе счисления, признающей только две цифры — нуль и единицу) не очень удобен в работе. Поэтому разработали более совершенные счетчики, позволяющие считать в нашей привычной десятичной системе.
Н. — Можешь ли ты описать мне один из них… Я боюсь, как бы он не оказался ужасно сложным.
Л. — Некоторые из этих схем достаточно сложны. Мы рассмотрим только одну так называемую счетную декаду, представляющую собой электронную схему, которая по получении десяти импульсов всегда возвращается в первоначальное состояние. По получении десятого импульса она дает в канал, именуемый выходом, импульс, приводящий в действие следующую декаду.
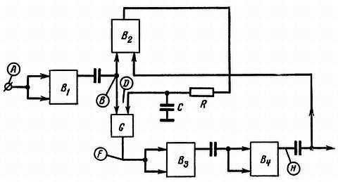
Я покажу тебе устройство декады, разработанной инженерами фирмы Rochar, структурная схема которой изображена на рис. 117. Как ты видишь, в начале схемы стоит первый триггер с двумя устойчивыми состояниями, который я вновь изобразил в виде прямоугольника (на этот раз триггер опять собран по схеме на рис. 82).

Рис. 117. Структурная схема счетной декады, выпускаемой французской фирмой Rochar. Схема В1 с двумя устойчивыми состояниями является делителем на 2; устройство, состоящее из трех других триггеров, последовательно проходит пять возможных состояний.

