Читать книгу 📗 "Искусство схемотехники. Том 3 (Изд.4-е) - Хоровиц Пауль"
Перспективность батарей и основные рекомендации. Как мы и утверждали вначале, это действительно хорошая идея проектировать прибор, используя популярную и легко доступную батарею. В верхней части перечня располагаются 9-вольтовые «транзисторные» батареи, известные под общим обозначением NEDA 1604 (1604 — LeClanche; 1604D — мощные; 1604А — щелочные; 1604М — ртутные; 1604LC — литиевые; 1604NC — никель-кадмиевые). Во всем мире вы можете купить 9-вольтовые щелочные батареи даже в любом отделе продуктового магазина (или открытого рынка).
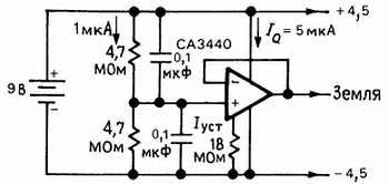
Операционные усилители хорошо работают при напряжении питания +9 В; вы можете даже использовать ±4,5 В, если применить резистивный делитель и повторитель для формирования потенциала взвешенной «земли» (рис. 14.8; рассматривается дальше в разд. 14.08).

Рис. 14.8. Способ формирования с помощью единственной батареи источника питания с биполярным напряжением.
Существуют чудесные маленькие пластмассовые корпуса для приборов, которые заканчиваются внизу отделением для батареи на 9 В, поставку которых осуществляют многие фирмы-изготовители и по очень привлекательным ценам. Мы рекомендуем все-таки использовать щелочные элементы, а не цинко-угольные, поскольку они обладают улучшенными электрическими характеристиками, как это было показано ранее.
Новая литиевая батарея "Ultralife" фирмы Kodak с напряжением 9 В, которая выглядит как реальный победитель, имеет емкость 100 мА·ч, большую долговечность при хранении (сохраняя 80 % энергии после 10 лет хранения) и плоскую характеристику разряда (рис. 14.9). Разработчики в ней мудро используют 3 элемента, а не 2, так что напряжение на зажимах близко к 9 В, т. е. так же, как и у щелочной батареи. Наши предварительные измерения на ранних выборках показали, однако, в некоторой степени высокое внутреннее полное сопротивление.

Рис. 14.9. Кривые разряда 9-вольт батареи: «литиевая» — 3-элементная батарея "Ultralife" фирмы Kodak.
Семейство щелочных элементов типов АА, С и D имеет большую энергетическую емкость (и соответственно меньшее внутреннее полное сопротивление), чем 500 мА·ч батареи 1604А (в 3, 9 и 20 раз соответственно) и к тому же их легко получить. Но они отчасти менее удобны из-за проблем с хранением и с надежностью соединения при последовательном включении элементов. Каждый из нас замечал, что если потрясти тусклый карманный фонарь, то он обычно начинает светить ярче. Эта проблема связана с тенденцией некоторых разновидностей батарей (щелочных, ртутных) выращивать белый налет на своих зажимах (официально это называется «засаливание»).
Никель-кадмиевые батареи также продаются (хотя и не в каждой аптеке) в стандартных конфигурациях (АА, С, D и 9 В) для тех применений, где с точки здравого смысла обосновано использование аккумуляторов. Но при этом вы получите только около 25–50 % энергетической емкости и уменьшенное напряжение батареи (1,2 В против 1,5 В на элемент у щелочных).
Литиевые батареи имеются в наличии в тех же самых стандартных модификациях, хотя они обеспечивают 3 или более вольта на элемент. Большинство фирм-изготовителей также снабжает их залуженными выводами с целью обеспечения более надежного соединения; это имеет смысл, учитывая их продолжительный срок службы. Литиевые элементы также выпускаются в виде плоской «таблетки» с лужеными выводами, для использования в качестве батарейной поддержки КМОП-памяти или для питания календаря часов. Литиевая батарея на напряжение 9 В имеет прекрасную особенность, а именно позолоченные защелкивающиеся выводы, обеспечивающие более надежное соединение. Посмотрите наши предостережения о склонности литиевой батареи к взрывам.
В большинстве магазинов фототоваров даже маленьких городов вы можете найти широкий подбор ртутных, серебряных и литиевых элементов. Они используются в фотокамерах (и калькуляторах, и часах) и отличаются, как правило, разнообразием «таблеток». В качестве примера можно привести популярный ртутный элемент типа 625, едва ли больше, чем пуговица на куртке, при этом свежий элемент имеет емкость 250 мА·ч. Еще меньший по размеру элемент 76 на окиси серебра (а энергетически он эквивалентен ртутному элементу типа 675) имеет интересную особенность, а именно — это аналог литиевого 3-вольтового элемента (NEDA 5008L) того же диаметра и удвоенного веса, предназначенный для замены пары 1,5-вольтовых элементов. При этом напряжении можно непосредственно обеспечить работу КМОП логических схем, а также питать низковольтовые операционные усилители, такие, как LM10, серии ICL7610 и многофункциональные серии «Линейных КМОП» операционных усилителей фирмы TI (серии TLC251-254) и компараторы (TLC372/4, TLC339/393 и TLC3702/4).
Если же для вашей прикладной задачи требуется подзаряжаемость и высокий пиковый ток герметизированных свинцово-кислотных батарей или какой-либо экзотический вид гальванического элемента, вы должны, как правило, связаться с фирмами-изготовителями этих батарей или их дистрибьюторами. Что касается названий, то такие фирмы, как Gates, Powersonic и Yuasa специализируются по свинцово-кислотным аккумуляторам. Фирмы Duracell и Everyday доминируют на рынке гальванических элементов. Все эти компании предлагают полезные и обширные руководства по применению батарей.
В следующих разделах мы рассмотрим альтернативные источники питания маломощного оборудования, а именно, включаемые в розетку блоки питания, солнечные элементы и сигнальные токи. Важно напомнить, что каждый из этих источников питания можно использовать для зарядки аккумуляторов. Например, популярные «установленные сзади» термостаты, которые на ночь выключают свой нагреватель, используют высокоимпедансный сигнальный переменный ток через реле на напряжение 24 В для зарядки никель-кадмиевых батарей, которые поддерживают работу тактового генератора в течение того периода, когда реле включено (рис. 14.10).

Рис. 14.10. «Устанавливаемый сзади» термостат.
В табл. 14.3 подытоживается наша информация по сравнению параметров различных типов батарей гальванических элементов.

14.03. Включаемые в розетку блоки питания
Калькуляторы, модемы, магнитофоны, телефонные наборные устройства, компактные измерительные приборы и еще множество маломощных устройств попадают к нам вместе с семейством черных квадратных включаемых в розетку блоков питания (рис. 14.11).

Рис. 14.11. Включаемые в розетку источники питания.
(С любезного разрешения фирмы Ault, Inc.)
Хотя маркировка на них обычно предупреждает, что их можно включать только с теми приборами, для которых они предназначены, вы можете приобрести эти блоки (с разнообразными техническими характеристиками) как в крупных, так и в небольших партиях (дистрибьюторы типа фирмы Radio Shack и Digi-Key; каждая имеет на своих складах несколько типов). Лучшие новинки обладают невероятно низкой стоимостью: включаемый в розетку блок питания (9 В нестабилизированного постоянного напряжения, ток 500 мА) стоит в больших партиях приблизительно 2,5 долл.
