Читать книгу 📗 "Путеводитель в мир электроники. Книга 2 - Семенов Борис Юрьевич"
Аккумуляторы прослужат дольше, если их зарядку выполнять от источника стабильного тока. С несколькими вариантами построения стабилизатора тока вы уже знакомы по первой книге, там же описан подробно принцип работы Такого стабилизатора. Здесь и далее мы рассмотрим варианты практического использования их в зарядных устройствах.
Простой стабилизатор тока можно выполнить на основе транзистора, рис. 15.7.

Рис. 15.7. Зарядное устройство со стабилизатором тока на транзисторе
В схеме опорное напряжение берется со светодиода (одновременно он является и индикатором того, что идет процесс заряда), а отрицательную обратную связь по току обеспечивает резистор R2.
В диапазоне 10…100 мА нужный ток заряда при настройке устанавливается за счет изменения напряжения токовой обратной связи подстроечным резистором R2. Эту схему можно подключить к таймеру, который будет описан чуть позже (рис. 15.13). Это избавит от необходимости помнить о работе устройства, так как позволит автоматически выключать процесс заряда через нужное время.
Зарядное устройство может быть собрано на микросхеме КР142ЕН12А(Б) или ее импортном аналоге LM317T. От такого источника тока можно заряжать не только отдельные элементы, но и составленные из них батареи. Для нормально!) работы схемы надо, чтобы напряжение после выпрямителя было на 6…7 В больше, чем номинальное напряжение заряжаемого аккумулятора.
Схема, приведенная на рис. 15.8, содержит минимальное количество элементов и может быть выполнена универсальной. Она позволяет получать разный ток стабилизации, в зависимости от выбранного резистора R1 (выбрать этот резистор можно из табл. 15.2).

Рис. 15.8. Зарядное устройство со стабилизатором тока на микросхеме

При желании сопротивление задающего ток резистора можно изменять галетным переключателем — в этом случае удастся заряжать разные типы аккумуляторов. В автономных условиях в качестве источника напряжения для подключения зарядного устройства возможно применение автомобильного аккумулятора.
Диод VD1 предотвращает повреждение микросхемы в случае, когда заряжаемый элемент будет подключен раньше, чем включено питание устройства. Монтаж удобно выполнить объемными перемычками, а саму микросхему лучше закрепить к теплоотводу (радиатору), обеспечив его изоляцию от корпуса конструкции.
Перезарядка гальванических элементов
Жизнь принуждает человека ко многим добровольным действиям.
Тот факт, что большинство типов современных гальванических элементов удается восстанавливать после разряда, уже давно ни для кого не секрет. Правда, они выдерживают намного меньше циклов перезарядки, чем аккумулятор, но порой даже несколько циклов перезаряда могут сильно выручить. Во всяком случае, наши и зарубежные радиолюбители этим свойством пользуются. Знают об этой возможности и разработчики гальванических элементов, но они не рекомендуют заниматься перезарядкой, так как при многократном и неграмотном повторении этого процесса последствия могут быть непредсказуемыми (возможна утечка электролита из-за нарушения герметичности корпуса).
Тем не менее, с начала 80 гг. XX в. некоторые американские фирмы начали выпускать гальванические элементы с гарантированным перезарядом (при условии использования «фирменного» зарядного устройства) [1]. Стоят такие элементы в два раза дороже обычных батареек, но это — вполне оправданные затраты, даже несмотря на то, что после каждого цикла «заряд-разряд» их емкость постепенно уменьшается, — в аккумуляторах она постоянна в течение всего срока эксплуатации, но аккумуляторы и стоят существенно дороже.
Многократная перезарядка большинства типов гальванических элементов возможна при выполнении следующих условий:
1. Нельзя доводить элемент до полного разряда, т. е. надо его ставить на подзаряд при снижении напряжения не ниже уровня в 1 В;
2. Подзарядку необходимо выполнять асимметричным током в режиме «заряд-разряд», при этом зарядный ток в 10 раз превышает разрядный;
3. Время процесса подзаряда не должно превышать 6…10 часов;
4. После окончания процесса необходимо, чтобы элемент 1…2 часа никуда не устанавливался, так как у него будет повышенное напряжение (до 1,85 В), которое постепенно вернется к номинальному (1,5 В).
А теперь посмотрим, как можно сделать собственное «фирменное» зарядное устройство для разных типов гальванических элементов.
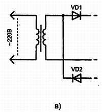
Элементы питания из серии СЦ часто используются в часах и разных игрушках. Если требуется восстановить у них заряд, схема для регенерации может быть очень простой и малогабаритной при выполнении ее с бестрансформаторным сетевым питанием. Несколько вариантов таких зарядных устройств показано на рис. 15.9.



Рис. 15.9. Три схемы зарядных устройств для миниатюрных элементов
В схеме на рис. 15.9, а зарядный ток (Iзар) элемента G1 протекает через цепь VD1-R1 в момент положительной полуволны сетевого напряжения. Величина Iзар зависит от величины R1. В момент отрицательной полуволны диод VD1 закрыт и разряд идет по цепи VD2-R2. Соотношение Iзар и Iразр выбрано 10:1. У каждого типа элемента серии СЦ своя емкость, но известно, что величина зарядного тока должна составлять примерно десятую часть от электрической емкости элемента питания. Например, для СЦ-21 (емкость 38 мАч) — Iзар = 3,8 мА, Iразр = 0,38 мА, для СЦ-59 (емкость 30 мА ч) — Iзар = 3 мА, Iразр = 0,3 мА. Близкие по емкости элементы можно заряжать от одного и того же зарядного устройства, но соответствующим образом изменив время зарядки.
На схеме указаны номиналы резисторов для регенерации элементов СЦ-59 и СЦ-21, а для других типов их легко определить, воспользовавшись соотношениями:
R1 = 220/(2·Iзар), R2 = 0,1·R1.
Установленный в схемах стабилитрон в работе зарядного устройства участия не принимает, но выполняет функцию защиты от поражения электрическим током — при отключенном элементе
G1 на выходных контактах напряжение не сможет возрасти больше, чем уровень стабилизации. Стабилитрон КС175 подойдет с любой последней буквой в обозначении или же может быть заменен двумя стабилитронами типа Д814А, включенными последовательно навстречу друг другу.
В качестве диодов VD1, VD2 подойдут любые выпрямительные с рабочим обратным напряжением не менее 400 В (КД243(Г — Ж), КД247(В — Е) и др.).
