Читать книгу 📗 "Занимательная анатомия роботов - Мацкевич Вадим Викторович"
Наши сведения о структуре и функциях мозга в настоящее время ещё весьма неполны, зачастую они основаны лишь на догадках. О мозге мы знаем значительно меньше, чем о других органах живого существа. Каждый из нас необычайно мало использует возможности своей памяти.
Человек всегда помнит больше, чем ему кажется. По свидетельству современников, Юлий Цезарь и Александр Македонский знали в лицо и по имени всех своих солдат, а ведь их было очень много – 30 тыс. А. Алёхин помнил все сыгранные шахматные партии и, не глядя на доски, мог одновременно играть более чем с 20 партнёрами.
Сейчас никто не в состоянии дать исчерпывающий ответ на все вопросы, связанные с деятельностью мозга: 6 механизме памяти, об удивительной системе произвольного доступа к огромным запасам информации, хранящейся в мозгу, о гибкости и надёжности памяти человека. Но великий русский физиолог И. М. Сеченов, очень хорошо понимавший титаническую трудность проблемы, утверждал, что предпосылки для понимания функций мозга состоят в «…строгом разборе его машинности».
Успехи кибернетики и бионики – лучшее доказательство справедливости этого тезиса. Новым наукам, развиваемым совместными усилиями физиологов, математиков и специалистов по электронике, союз которых оказался чрезвычайно плодотворным, по плечу любая задача. Рано или поздно учёные смогут узнать самые сокровенные тайны мозга.
Решение сложных задач с помощью электронных систем невозможно без устройств памяти. Все автоматы, о которых мы рассказали выше, хорошо умеют разбираться в потоках сигналов, поступающих на входы. Но, к сожалению, эти автоматы не извлекают уроков из своей деятельности. Один и тот же сигнал или совокупность сигналов вызывают у автомата всегда одну и ту же реакцию. А ведь известно, что наиболее интересными видами деятельности являются такие, которые используют память. Знающий, т.е. помнящий, действует лучше, чем незнающий. И если мы хотим, например, моделировать сложные поведенческие черты живых организмов, нам следует заняться конструированием устройств памяти автоматов.
Учёного-кибернетика мозг интересует прежде всего как пример разумной машины, созданной самой природой. Кибернетики пытались подойти к этой задаче с позиций физиологов. Мозг человека оказался настолько сложной системой, что разобраться в деталях его работы было невозможно. И только аналогия в работе мозга и вычислительной машины наметила подход к решению этой сложнейшей проблемы.
Создавая первые ЭВМ, инженеры мало знали о строении мозга. Они стремились создать машину, которая бы быстро и точно могла производить вычисления. Сходство ЭВМ с человеческим мозгом было обнаружено позже, когда физиологи при изучении мозга стали сравнивать известные им факты с тем, что они узнали от специалистов по вычислительной технике.
Прежде всего физиологи обратили внимание на бинарность в поведении нервной системы. Оказывается, каждое нервное волокно в любой момент либо «включено», либо «выключено». Оно либо активно и при этом проводит сигнал возбуждения, либо пассивно и сигнала не проводит. Насколько смогли определить физиологи, у нервных волокон не существует никакого промежуточного состояния.
Двоичная система счисления – идеальная система для ЭВМ
Мы уже говорили о том. что в нервных сетях действуют законы двоичного счисления: О или 1, ДА или НЕТ. Какими особенностями отличается двоичная система? Почему именно её избрали для ЭВМ?
Мы принимаем как должное счёт до десяти, хотя в действительности десятичная система счисления, которой мы постоянно пользуемся, является одной из многих и вовсе не лучшей.
Вот как выглядят числа в десятичной и двоичной системах (справа):
1 – 1
2 – 10 (одна единица второго разряда)
3 – 11
4 – 100 (одна единица третьего разряда)
5 – 101
6 – 110
7 – 111
8 – 1000 (одна единица четвёртого разряда)
9 – 1001
10 – 1010
11 – 1011
12 – 1100
13 – 1101
14 – 1110
15 – 1111
16 – 10000 и т.д.
Г. Лейбниц, впервые исследовавший двоичную систему счисления, ещё в 1703 году писал: «При сведении чисел к простейшим началам, каковы 0 и 1, всюду выявляется удивительный порядок…» Особенно восхищали Лейбница простотой правила двоичного сложения и умножения. Двоичная система тоже имеет недостатки, но их перекрывает огромное преимущество: каждое двоичное число, как бы велико оно ни было, составлено только из единиц и нулей. Только два различных значения, не более. Это обстоятельство делает двоичные числа идеальным инструментом для всех электронных вычислительных машин.
Например, контакты реле могут быть либо замкнутыми, либо разомкнутыми, т.е. существуют только две возможности. Электронные лампы и тразисторы имеют больше возможностей. Они способны выдать и десять различных выходных сигналов. В двоичной же системе от них требуется только два, что обеспечивает большую надёжность и экономичность. Поэтому машина считает в двоичной системе, хотя числа длиннее на входе и на выходе устройства, кроме того, их следует преобразовывать из двоичной системы в десятичную. Но вычислительные ячейки машины становятся проще.
Основные элементы ЭВМ
Логические операции счета в двоичной системе могут выполнять электромагнитные реле. Первые вычислительные машины состояли из большого числа электромагнитных реле, которые своими контактами или размыкали электрическую цепь, что соответствовало 0 (нулю), или замыкали, что соответствовало 1 (единице).
Но реле громоздки и ненадёжны, поэтому вычислительная техника перешла к использованию электронных ячеек с двумя устойчивыми состояниями – триггеров. Простейший триггер собирают из двух взаимно управляемых ламп или транзисторов. Если открыта одна лампа (или транзистор) триггера, то вторая закрыта. Каждый очередной управляющий импульс, поступающий на вход триггера, переключает его в другое состояние. При переключении на выходе триггера возникает ответный импульс, который может служить для переключения другого триггера. Из триггеров и переходных диодов можно составлять пересчетные устройства.
Рассмотрим цепь из четырёх последовательно включённых триггеров (см. схему на рис. 69). На рис. 69 показаны состояния транзисторов этой цепи (красный кружок – открыт, тёмный – закрыт). Устройство отсчитывает каждые десять входных импульсов и на каждый десятый выдаёт выходной импульс. Этот импульс может быть использован как счётный импульс для последующей счётной декады.


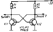
Прежде чем приступить к моделированию счётных каналов ЭВМ, подробно рассмотрим работу триггера и попытаемся собрать элементарную счётную ячейку. Как видно из рис. 70, триггер состоит из двух усилительных ступеней с непосредственной взаимной связью. Благодаря наличию отрицательной обратной связи он имеет два устойчивых состояния.
Для переключения триггера из одного состояния в другое необходимо внешнее воздействие, приводящее к открыванию закрытого транзистора. Это свойство триггера менять скачком напряжение на выходе от нуля до некоторого значения и наоборот позволяет наиболее просто создавать электронное устройство, выполняющее арифметические операции.
Скачки напряжения триггеров используют в ЭВМ для отображения чисел. Наличие напряжения обозначают цифрой 1, отсутствие – 0. Своё название этот своего рода бесконтактный переключатель получил от английского слова trigger, что означает «спусковой крючок». Наиболее распространён в практике транзисторный триггер с независимым смещением, с раздельными выходами и одним общим (счётным) входом.
