Читать книгу 📗 "Энциклопедия радиолюбителя - Пестриков Виктор Михайлович"
9.2. Питание устройств от гальванических элементов
Применяя гальванические элементы для питания аппаратуры, следует помнить, что долговечность их работы зависит от условий хранения и величины тока, который потребляет устройство. Так, сохранять элемент или батарею необходимо в сухом прохладном месте, можно положить на нижнюю полку бытового холодильника. Для большинства элементов и батарей максимальное значение кратковременного потребления тока не должно быть больше 0,1…0,2 начальной емкости источника питания. Для обеспечения работы радиоэлектронных устройств с большим потреблением мощности в течение длительного времени (до 50…100 часов), необходимо чтобы среднее значение тока потребления было в 50…100 раз меньше начальной емкости источника.
В настоящее время выпускается несколько основных типов гальванических элементов и батарей: угольно-цинковые (марганец-цинковые), щелочные, литиевые, серебряно-цинковые, ртутно-литиевые. Среди названных батареек самыми лучшими считаются литиевые, т. к. имеют большую емкость, самое большое напряжение и самый длительный срок хранения — до 7…10 лет. Литиевые батарейки являются и самыми дорогими по стоимости. Эти батарейки, в основном, используются для фото и кинокамер. Серебряные и ртутные элементы выпускаются в виде миниатюрных дисков («таблеток») и их используют, в основном, в слуховых аппаратах и часах. Из первых двух типов наиболее широкое распространение имеют угольно-цинковые, как наиболее доступные по цене. Хотя щелочные батарейки и дороже угольно-цинковых по стоимости, но зато имеют лучшие характеристики. У них больше емкость и срок хранения. Напряжение щелочных батареек несколько меньше угольно-цинковых, приблизительно на 0,1 В, но по мере разряда напряжение долгое время держится почти на одном уровне и только в конце резко падает. Для того чтобы выделить этот тип батареек, зарубежные фирмы на них делают надпись «Alkaline» (щелочной элемент). На отечественном рынке гальванических элементов и батареек сейчас большой процент составляет продукция зарубежных стран. На корпусе химического источника тока обязательно стоит его типоразмер по нескольким стандартам. На корпусах пальчиковых элементов можно встретить маркировку в основном по стандартам: Международной электротехнической комиссии (МКЭ) — R6 (солевой электролит) или LR6 (щелочной электролит), американский стандарт— АА, японский — АМЗ и российский — 316. Фирменные батарейки отличаются тем, что они, как привило, поступают в продажу запаянные в прозрачную пленку или в специальной картонно-пленочной упаковке.
• батарейки с солевым электролитом — TDK DINAMIC POWER, VARTA 3006 и 2006. SONY NEW ULTRA, SANYO SUPER, TOSHIBA Heavy Dury, GP GREENCELL, GP SUPERCELL, ENERMAX, DAEWOO, FUJI NOVEL;
• батарейки с щелочным электролитом — DURACELL, DURACELL ULTRA, ENERGIZER, ENERGIZER TESTER, SONY ALKALINE, PANASONIC POWER ALKALINE, TOSHIBA ALKALINE, POLAROID ALKALINE.
Несколько продлить срок службы гальванического элемента, у которого не поврежден стакан, можно путем вливания в него соответствующих растворов. Для этого больше подходят элементы без стальной обоймы, типа 373, 343 и т. д. Для восстановления элемента в его торце со стороны плюсового вывода прокалывают несколько отверстии диаметром 2…3 мм на глубину 50 мм. Обычно 2 отверстия у угольного стержня, а 2 — у кромок цинкового стакана. Отверстия заполняют аммиаком водным техническим, используемым для удобрения или бытовых целей (марка «А», сорт 1). Отверстия заполняют несколько раз по мере впитывания в течение 1…2 дней. После этого отверстия закрывают парафином, битумом или пластилином. Готовность к работе элемента проверяют лампочкой от карманного фонарика. При этом удается удлинить срок службы гальванического элемента на 20…40 часов. Если нет аммиака водного, то можно в отверстия залить аптечный нашатырный спирт или в крайнем случае обычную воду.
9.3. Особенности питания аппаратуры от аккумуляторов
Для радиоприемников и других радиоэлектронных устройств часто используют аккумуляторы. Аккумуляторы вырабатывают электрический ток в результате окислительно-восстановительной реакции. В них под действием внешнего источника постоянного тока происходят обратимые процессы, в результате чего первоначальные вещества восстанавливаются. Аккумуляторы только накапливают энергию, которую при необходимости могут снова отдать. Отсюда и происходит их название (от латинского accumulare — накапливать, собирать). Промышленностью выпускается большое количество различных типов аккумуляторов. В радиоэлектронике нашли применение различного типа аккумуляторы. Наибольшее распространение получили никель-кадмиевые аккумуляторные элементы и батареи дисковой конструкции.
При эксплуатации аккумуляторов необходимо придерживаться некоторых правил. Для периодического подзаряда аккумуляторов применяют зарядные устройства. Такие устройства должны удовлетворять паспортным данным подзаряжаемого аккумулятора по току и времени заряда. Соблюдение рекомендованных режимов заряда и разряда аккумуляторов способствует продлению срока его эксплуатации до 5…7 лет.
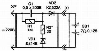
В карманных приемниках часто используется аккумуляторная батарея 7Д-0,1 и ее модификация 7Д-0,125. При зарядке аккумуляторов типа 7Д-0,125 от сети 220 В можно использовать простую схему, которая обеспечивает ток заряда около 12 мА, при этом продолжительность зарядки составляет 10…15 часов (рис. 9.3).
Рис. 9.3. Принципиальная схема устройства для зарядки аккумулятора 7Д-0,125
Особенностью устройства является то, что если по забывчивости аккумулятор будет находиться на зарядке больше времени чем положено, то его перезарядки не произойдет. Зарядный ток аккумуляторной батареи определяется емкостью конденсатора С1 и при достижении напряжения Uбат = 9,4 В начинает уменьшаться, когда напряжение батареи достигнет Uбат = 9,4 В открывается стабилитрон VD1, который практически полностью блокирует процесс зарядки. Одним из недостатков аккумуляторных батарей типа 7Д-0,1 и 7Д-0,125 является, как известно, то, что кадмиево-никелевые элементы, из которых они состоят, теряют свою работоспособность при разряде ниже 1 В. Такой разряд аккумуляторных элементов приводит к сокращению срока их службы. В связи с этим аккумуляторную батарею разряжать ниже 7 В не рекомендуется. Продлить срок службы батареи можно, если иметь соответствующий сигнализатор контроля напряжения во время эксплуатации. На рис. 9.4 приведена электрическая схема сигнализатора напряжения аккумуляторной батареи.
Рис. 9.4. Принципиальная схема сигнализатора разряда аккумуляторной батареи 7Д-0,125
Сигнализатор собран на микросборке полевых транзисторов DA1 и поэтому потребляет в дежурном режиме очень малый ток — менее 0,1 мА. При напряжении питания батареи больше 7 В светодиод HL1 не горит. При снижении напряжения до 7 В — светодиод HL1 загорается, что сигнализирует о необходимости подзарядки аккумуляторов. Переменным резистором устанавливают порог срабатывания светодиода HLI. Разность между напряжениями источника питания, при которых гаснет и зажигается светодиод очень мала, всего 0,03 В.
Основные характеристики некоторых типов отечественных аккумуляторов, наиболее часто используемых для питания радиолюбительских конструкций, приведены в табл. 9.1.
9.4. Индикатор полярности источников напряжений
В практике радиолюбителя иногда возникает проблема определения полярности источников напряжений. Для этих целей подойдет индикатор полярности напряжений, схема которого приведена на рис. 9.5.
