Читать книгу 📗 "Энциклопедия радиолюбителя - Пестриков Виктор Михайлович"
Монофонические электромагнитные наушники
Конструктивно электромагнитный телефон состоит из металлической мембраны, которая колеблется под воздействием магнитного поля, образованного обмоткой, по которой проходит переменный ток звуковой частоты.
Электромагнитные наушники подразделяются на высокоомные, имеющие большое количество витков провода в катушках, и низкоомные, с относительно небольшим числом витков. Так, одна из конструкций высокоомных наушников, ТОН-1, состоит из двух наушников, соединенных механически металлическим оголовьем. Каждый наушник имеет катушку, содержащую 4000 витков эмалированного провода диаметром 0,06 мм. Сопротивление катушки наушника составляет 2200 Ом. В этих головных телефонах наушники соединены последовательно, поэтому их общее сопротивление 4400 Ом. Наушники этого типа наиболее пригодны для детекторных приемников, так как имеют высокую чувствительность.
Наушники электромагнитного типа применяют в радиоэлектронной аппаратуре с транзисторными выходными каскадами непосредственным включением по бестрансформаторной схеме, а в ламповой аппаратуре — через согласующий трансформатор, а также непосредственно в анодную цепь лампы или через последовательно соединенный конденсатор. Наушники этого типа стоят недорого, но имеют низкие параметры.
Монофонические электродинамические наушники
Этот тип наушников дает более качественное звучание при прослушивании музыкальных программ по сравнению с электромагнитными. В наушниках в качестве излучателя звука часто используется обычная малогабаритная электродинамическая головка прямого излучения (динамик). В современных электродинамических наушниках для достижения более широкого диапазона рабочих частот (например, 30… 15000 Гц) диафрагму изготавливают из легкой эластичной полимерной пленки (наушник «Электроника ТМ-8»). Наушники этого типа имеют сопротивление от десятков до сотен ом и включаются в выходные каскады радиоэлектронной аппаратуры, в основном, через согласующий конденсатор.
Стереофонические электродинамические наушники
Эти наушники занимают особое место среди головных телефонов.
Стереофонические наушники существенно отличаются от обычных монофонических. В первую очередь они имеют широкую полосу воспроизведения частот и малую неравномерность звучания частотной характеристики. По своим электроакустическим параметрам они сравнимы с акустическими системами высшего качества. Восприятие музыкальных стерсопрограмм на эти наушники отличается от стереоэффекта, получаемого от акустических систем. Наушники воспроизводят низкие частоты звукового диапазона более естественно, чем акустические системы невысокого класса. Субъективно ощущается более четкое разделение по каналам звучания инструментов, голосов певцов, независимо от места, где находится слушатель. Более зримо создается иллюзия непосредственного нахождения среди музыкантов или певцов. К достоинствам стереонаушников относится и то, что на них не оказывают влияние особенности помещения, в котором прослушиваются программы.
В современных стереофонических наушниках, как правило, используют высококачественные малогабаритные громкоговорители с электродинамическими системами. Громкоговорители монтируют в пластмассовом или металлическом корпусе. Наушники изготовляются обязательно с уплотненными заглушками из мягкой пористой резины. При пользовании стереотелефонов нельзя путать левый и правый наушники, так как это может привести к зеркальному восприятию звучания оркестра. С этой целью на телефонах делают надпись «левый» и «правый» или цветную маркировку: желтый цвет — левый, красный — правый. На стереонаушниках зарубежного производства на левом наушнике стоит буква «L> (англ. left — левый), а на правом — «R» (англ. right — правый). Необходимо добавить, что воспроизведение низких частот телефонами зависит от плотности прилегания их крышек (амбушюров) к ушным раковинам слушателя.
Дальнейшим развитием конструкции электродинамических стереонаушников явились так называемые изодинамическис стереонаушники. Конструкция этих наушников отличается от обычных электродинамических, в то время как принцип действия у них схож. В этих наушниках подвижная часть (мембрана) выполнена из мягкой полимерной пленки, на которую особым образом нанесена звуковая катушка. Перенесение звуковой катушки в плоскость мембраны в сочетании с высокоэффективной магнитной системой позволило получить при воспроизведении довольно широкий диапазон частот, малые нелинейные и переходные искажения. К наушникам этого типа относятся отечественные наушники «Амфитон» ТДС-7. Эти телефоны имеют настолько малые нелинейные, переходные и фазовые искажения, что их нельзя заметить на слух. Стереотелефоны ТДС-7 обладают большой перегрузочной способностью. Развивая номинальный уровень звукового давления 1 Па (94 дБ) при подводимой мощности всего лишь 1…1,5 мВт, они могут работать длительное время при мощности 1 Вт. Пики мощности подводимого сигнала могут достигать 5…7 Вт. Номинальный диапазон частот составляет 20…20 000 Гц. Отечественные изодинамические стереонаушники ТДС-7 имеют наиболее равномерную частотную характеристику по сравнению с известными зарубежными.
Современный ассортимент стереонаушников довольно большой. В табл. 3.1 приведены основные характеристики некоторых отечественных моделей стереонаушников.

Маркировка
Марка наушника обычно наносится на его корпусе, рядом с нею иногда указывается его сопротивление. Маркировка наушника состоит из букв и цифр. Первая буква, как правило, Т — телефон, последующие отражают конструкцию электроакустического преобразователя: М — электромагнитная, Д — электродинамическая, П — пьезоэлектрическая, ДЭМ или ЭМ — дифференциальная электромагнитная. Далее стоящие буквы указывают номер разработки. После цифр иногда ставятся буквы, наиболее употребительные, расшифровываются так: М — малогабаритный телефон, Т — тропическое исполнение. После буквы Т иногда ставится буква К, что расшифровывается, как телефонный капсюль (например, ТК-47). Капсюлем обычно называют один наушник, то есть сам телефон.
Схемы включения наушников в каскады радиоэлектронных устройств
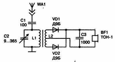
Наилучшая работа наушников будет в том случае, когда их сопротивление равно сопротивлению цепи, в которую они включаются. В детекторном приемнике лучшие результаты получаются с наушниками сопротивлением около 2000 Ом. Включение наушников электромагнитного типа в детекторный приемник приведено на рис. 3.1. Вариант включения наушников в транзисторный УЗЧ приведен на рис. 3.2. Миниатюрные наушники для лучшего согласования с УЗЧ иногда включают в эмиттер выходного транзистора (рис. 3.3). Включение наушников в УЗЧ на микросхемах приведено на рис. 3.4. Включение стереофонических наушников электродинамического типа в каскады УЗЧ на транзисторах показано на рис. 3.5.

Рис. 3.1. Принципиальная схема включения высокоомных наушников в детекторный приемник

Рис. 3.2. Принципиальная схема включения наушников в УЗЧ на транзисторе

Рис. 3.3. Принципиальная схема включения наушников в эмиттер выходного транзистора УЗЧ
 
	