Читать книгу 📗 "Справочное пособие по цифровой электронике - Тули Майк"
а — КМОП-элемент; б — ТТЛ элемент
Из обычных ТТЛ-микросхем наиболее широко представлено семейство 74. Маркировка микросхем этого семейства начинается с цифр 74, например 7400, 7408, 7432 и 74121; его еще часто называют стандартным ТТЛ-семейством. Разновидности аналогичных микросхем малой мощности с диодами Шотки имеют в середине буквы LS, например 74LS00, 74LS08, 74LS32 и 74LS121.
Популярные КМОП-микросхемы образуют часть семейства 4000, и их номера начинаются с цифры 4, например 4001, 4174, 4501 и 4574. Иногда маркировка КМОП-микросхемы начинается не с цифры, а с буквы. Буква А обозначает устаревшую (небуферированную) серию, а буква В — улучшенную (буферированную) серию. Комбинация UB обозначает небуферированную микросхему серии В.
В некоторых случаях в середине кода ТТЛ-микросхем встречаются буквы, приведенные в табл. 1.2.
Большинство ТТЛ- и КМОП-семейств рассчитаны на работу с напряжением питания +5 В. Для ТТЛ-микросхем необходима довольно жесткая стабилизация напряжения, обычно ±5 % (т. е. диапазон допустимых напряжений составляет от 4,75 до 5,25 В). Тем не менее многие ТТЛ-микросхемы могут работать и при большем разбросе питания, например от 4 до 5,5 В. В частности, одна из фирм рекомендует использовать в своих изделиях для питания ТТЛ-микросхем три последовательно включенные сухие батареи с напряжением 1,5 В каждая. Неудивительно, что одной из наиболее частых причин отказа в этих изделиях оказывается «севшая» батарея.
Несмотря на то что логическая функция элемента остается одной и той же при напряжении питания 4 и 5 В, переключательные свойства элемента зависят от напряжения питания. При его уменьшении значительно возрастает задержка распространения, т. е. время прохождения изменения логического значения со входа на выход. Во многих устройствах это обстоятельство несущественно, но такие схемы, как счетчики и делители частоты, при понижении напряжения питания работают неустойчиво.
Сделаем замечание и о предельном значении напряжения питания для ТТЛ-микросхем: абсолютное максимальное напряжение составляет +7 В. Даже при небольшом превышении этого значения ТТЛ-микросхема сразу же выходит из строя.
Для КМОП-схем допускается изменение напряжения питания в гораздо более широких пределах. Подавляющее большинство их устойчиво работают в диапазоне от +3 до +15 В. Это обстоятельство, а также ничтожный потребляемый ток (КМОП-элемент в устойчивом состоянии потребляет всего несколько микроампер) способствуют применению КМОП-схем в устройствах с батарейным питанием. В большинстве портативных KMX)П-устройств не требуется стабилизация напряжения питания, они устойчиво работают при снижении напряжения до +3 В.
Как и у ТТЛ-схем, быстродействие КМОП-схем ухудшается при понижении напряжения питания. При напряжениях питания +9, +12 или +15 В быстродействие КМОП-схем примерно в 2 раза выше, чем при типичном напряжении питания +5 В.
ТТЛ-схемы потребляют значительно больший ток, чем их КМОП-эквиваленты. Например, типичный ТТЛ-элемент потребляет ток около 8 мА, что в 1000 раз больше, чем в эквивалентном КМОП-элементе при рабочей частоте 10 кГц.
Стабилизаторы. В большинстве блоков питания ТТЛ-и КМОП-устройств применяются монолитные трехточечные стабилизаторы. Они обеспечивают хорошую стабилизацию напряжения питания, ограничение тока и тепловое защитное отключение. Типичные корпуса стабилизаторов показаны на рис. 1.3.
Рис. 1.3. Типичные корпуса монолитных трехточечных стабилизаторов напряжения.
На практике наиболее широко применяются стабилизаторы, перечисленные в табл. 1.3.
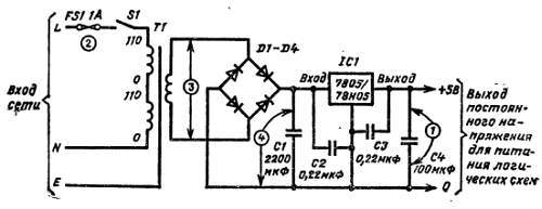
Типичный блок питания. На рис. 1.4 показан типичный блок питания для ТТЛ/КМОП-схем со стабилизированным выходным напряжением +5 В. Понижающий трансформатор Т1 подает переменное напряжение на мостовой выпрямитель D1—D4. Напряжение на вторичной обмотке трансформатора обычно составляет около 9 В; после выпрямления на сглаживающем конденсаторе С1 получается постоянное напряжение примерно 12 В.
Номинальное напряжение стабилизатора +5 В подается на выход. Дополнительные конденсаторы С2 и СЗ небольшой емкости (не электролитические) обычно монтируются около выводов стабилизатора. Они обеспечивают эффективную развязку на высоких частотах и подавляют высокочастотную нестабильность, которая может возникнуть из-за паразитных монтажных реактивных сопротивлений.
Рис. 1.4. Схема типичного блока питания для цифровых схем (номерами обозначены контрольные точки):
FS1 — предохранитель
Меры безопасности. До обсуждения вопросов поиска неисправностей в блоках питания напомним о мерах предосторожности при работе с ними.
Большинство цифровых схем работают с низким напряжением питания и вполне безопасны; однако имеющееся в блоке питания сетевое напряжение опасно для жизни. При работе с блоками питания необходимо всегда соблюдать следующие правила.
1. Выключайте питание и отсоединяйте сетевой шнур при выполнении:
• демонтажа оборудования;
• проверке плавких предохранителей;
• установке и удалении внутренних модулей;
• пайке компонентов;
• проверке монтажных проводников, исправности обмоток трансформаторов, мостовых выпрямителей и т. д.
2. При измерении переменных и постоянных напряжений в блоке питания соблюдайте необходимые меры предосторожности:
• избегайте прямого контакта с цепями входного сетевого напряжения, проверяйте правильность и надежность заземления оборудования;
• пользуйтесь инструментами с изолированными ручками;
• устанавливайте нужный диапазон измерительного прибора до производства требуемых измерений;
• при сомнении в правильности своих действий выключите питание, отсоедините сетевой шнур и хорошенько подумайте.
Поиск неисправностей в типичном блоке питания, показанном на рис. 1.4, не вызывает особых затруднений так как в нем мало элементов, «склонных» к отказам (стабилизатор, трансформатор и др.).
На рис. 1.4 для удобства читателей отмечены в кружках четыре контрольные точки. Отметим, что самый быстрый способ локализации неисправности необязательно связан с проверкой напряжений или сигналов от входа к выходу или наоборот. Мы рекомендуем такую последовательность проверок и измерений.
1. Проверьте, лучше всего с помощью цифрового мультиметра, что выходное напряжение в точке 1 находится в диапазоне от 4,75 до 5,25 В. Если это не так, переходите к шагу 2, а если выходное напряжение укладывается в указанный диапазон, считайте, что блок питания исправен.
2. Отсоедините выход +5 В от схемы и повторите предыдущее измерение. Если напряжение в точке 1 оказывается в диапазоне 4,75—5,25 В, то отказ вызван схемой, а в стабилизаторе сработало ограничение по току. (Довольно часто подобный отказ возникает из-за наличия дефектной микросхемы, которая чрезмерно нагревается. Ее можно обнаружить, если прикоснуться к микросхеме Если напряжение в точке 1 находится вне диапазона 4,75—5,25 В, проверьте сетевой предохранитель в точке 2. Сгоревший предохранитель замените на исправный и повторите шаг 1. Если предохранитель сразу же перегорает, убедитесь с помощью омметра, нет ли короткого замыкания в выпрямителе D1—D4, конденсаторе С1 и микросхеме IС1 [1].
