Читать книгу 📗 "Искусство схемотехники. Том 1 (Изд.4-е) - Хоровиц Пауль"

Рис. 4.95. д — источник тока на 200 мА;

Рис. 4.95. е — усилитель постоянного тока (100-кратный);

Рис. 4.95. ж — усилитель звуковых частот со 100-кратным усилением и однополярным питанием;

Рис. 4.95. з — стабилизатор на 15 В;

Рис. 4.95. и — операционный усилитель в качестве стабилизатора +15 В;

Рис. 4.95. к — триггер Шмитта;

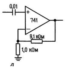
Рис. 4.95. л — 10-кратный усилитель со связями по переменному току;
Рис. 4.95. м — усилитель постоянного тока с перестраиваемым усилением (х10-x100);

Рис. 4.95. н — детектор нуля;

Рис. 4.95. о — операционные усилители с переключателями;

Рис. 4.95. п — управление коэффициентом коэффициентом усиления с помощью полевого транзистора;

Рис. 4.95. р — источник тока;

Рис. 4.95. с — интегратор со сбросом.
Дополнительные упражнения
(1) Разработайте схему «чувствительного вольтметра». Он должен иметь Ζвх = 1 МОм и в четырех диапазонах обеспечивать чувствительность от 10 мВ до 10 В. Используйте измерительный прибор с размахом шкалы 1 мА и операционный усилитель. Если потребуется, отрегулируйте сдвиги напряжения. Подсчитайте показания прибора при разомкнутом входе, если: (а) I = 25 пА (типичное значение для ОУ типа 411) и (б)Iсм = 80 нА (типичное значение для ОУ типа 741). Подумайте о том, какие ограничения следует ввести, чтобы предохранить прибор от повреждений (например, можно ограничить величину тока, чтобы она не превышала 200 % полного размаха шкалы) и защитите входы усилителя от напряжений, которые выходят за пределы питающих напряжений. Как вы думаете: подойдет ли для высокоимпедансных измерений сигналов низкого уровня ОУ типа 741?
(2) Разработайте схему усилителя звуковых частот на основе ОУ типа ОР-27 (имеет низкий уровень шумов, рекомендуется для использования в усилителях звуковых частот). Усилитель должен иметь следующие характеристики: К = 20 дБ, Ζвх = 10 кОм, точка —3 дБ соответствует частоте 20 Гц. Используйте неинвертирующую схему, предусмотрите, чтобы спад усиления на низких частотах ослаблял влияние входного напряжения сдвига. Разработайте схему с учетом того, что влияние входного тока смещения на выходной сдвиг должно быть минимальным. Учтите, что источник сигнала подключен через конденсатор.
(3) Разработайте схему расщепления фаз (фазоинвертора) с единичным коэффициентом усиления (см. гл. 2) на основе ОУ типа 411. Схема должна иметь высокое входное и низкое выходное сопротивления. Учитывая ограничения по скорости нарастания, оцените грубо максимальную частоту, на которой можно получить полный размах сигнала (27 В от пика до пика при использовании напряжения питания +15 В).
(4) Усилители мощности звуковых частот El Cheapo на верхних частотах возбуждаются из-за начинающегося с частоты 2 кГц (точка +3 дБ на характеристике) нарастания усиления +6 дБ/октава. Разработайте простой RС-фильтр, который можно было бы включить между предусилителем и усилителем для компенсации возбуждения. При необходимости RC-фильтр можно построить на ОУ типа AD611 (еще одна интегральная схема, рекомендуемая для использования в звуковом диапазоне частот) Для предусилителя Ζвых = 50 кОм, а для усилителя Ζвх = 10 кОм.
(5) Операционный усилитель типа 741 используется в качестве простого компаратора с одним заземленным входом, т. е. в качестве детектора нулевого уровня. На второй вход поступает синусоидальный сигнал с амплитудой 1 В (частота 1 кГц). Чему равно напряжение на входе, когда напряжение на выходе проходит через уровень 0 В? Предположите, что скорость нарастания составляет 0,5 В/мкс, а напряжение насыщения выхода равно +13 В.
(6) На рис. 4.92 дан пример схемы преобразователя отрицательного сопротивления, (а) Чему равно ее входное сопротивление? (б) Диапазон выходного напряжения ограничен значениями U+и U_. Каков диапазон входного напряжения, в котором схема работает без насыщения?
(7) Представьте только что рассмотренную схему в виде эквивалентного «черного ящика» с двумя выводами (рис. 4.93). Как с помощью этого двухполюсника построить усилитель постоянного тока с коэффициентом усиления —10? Почему нельзя сделать усилитель постоянного тока с коэффициентом усиления +10? (Подсказка: в определенном диапазоне сопротивлений источника схема работает как «защелка». Чему равен этот диапазон? Какие меры могут, на наш взгляд, здесь помочь?)
Глава 5
АКТИВНЫЕ ФИЛЬТРЫ И ГЕНЕРАТОРЫ
Перевод Μ.Н. Микшиса
Весьма интересный класс линейных (т. е. нецифровых) схем можно изучать, зная только транзисторы и ОУ. Это позволит читателю усвоить ряд трудных моментов (а именно, нюансы поведения транзисторов, обратную связь, ограничения, свойственные ОУ и др.), перед тем как приступить к описанию новых устройств и методик проектирования в обширной области цифровой схемотехники. С этой целью в данной главе кратко рассмотрим активные фильтры и генераторы. Другие аналоговые устройства будут рассмотрены в гл. 6 (стабилизаторы напряжения и сильноточные устройства), гл. 7 (прецизионные и малошумящие схемы), гл. 13 (радиочастотная техника), гл. 14 (проектирование маломощных схем) и гл. 15 (измерения и обработка сигналов). В первой части этой главы описывается специализированная аппаратура (активные фильтры, разд. 5.01-5.11), и при первом чтении эту часть можно опустить. Однако вторую часть этой главы (генераторы, разд. 5.12-5.19), в которой описывается аппаратура с широкой областью применения, опускать не следует.
