Читать книгу 📗 "Магнитные карты и ПК - Гёлль Патрик"

Рис. 3.11. Внешний вид самодельного считывающего устройства (вид спереди)
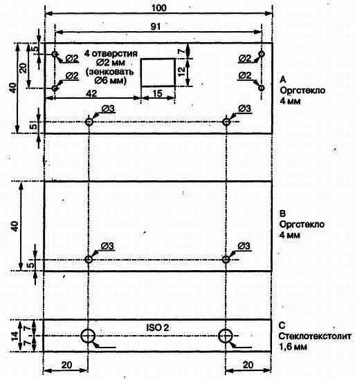
Сам каркас (рис. 3.12) изготавливается из оргстекла (плексигласа) толщиной 4 мм. Этот материал легко достать, он достаточно прочен и очень хорошо обрабатывается.

Рис. 3.12. Чертежи элементов каркаса
В крайнем случае его можно заменить другими материалами, например стеклотекстолитом толщиной 1,6 мм (нефольгированным), склеенным вдвое или втрое.
Для изготовления каркаса необходимо вырезать из оргстекла два прямоугольника размером 100x40 мм, а также прямоугольник из стеклотекстолита толщиной 1,6 мм размером 14x100 мм. Одна из сторон этого прямоугольника должна быть идеально прямой, для чего ее нужно тщательно отполировать наждачной бумагой.
Отметим, что нет существенных возражений против увеличения длины всех деталей свыше 10 см, принятой в большинстве промышленных считывающих устройств.
Если предусматривается последующая трансформация считывающего устройства в кодер, то это будет даже «плюсом», поскольку большая длина пути карты помогает стабилизировать скорость последней практически еще до контакта с головкой.
На рис. 3.12 указаны место и диаметры всех крепежных отверстий, которые потребуется просверлить. Допустимо вместо отверстий диаметром 2 мм делать отверстия диаметром до 2,5 мм или больше, если проще найти винты (с потайной головкой) под такой размер. Совершенно необходимо, чтобы эти четыре отверстия точно совпадали с соответствующими отверстиями печатной платы и чтобы ее край был идеально точно выровнен с краями пластин из оргстекла.
Проще всего это сделать, если сверлить обе детали с одного захода, плотно зажав их в тисках с гладкими губками. Что касается прямоугольного отверстия, то его следует выполнить традиционным радиолюбительским способом: высверливанием по периметру, например трехмиллиметровым сверлом с последующей доводкой квадратным напильником. Не страшно, если его размеры будут несколько превосходить указанные на схеме, однако, не до такой степени, чтобы серьезно уменьшить прочность детали.
На рис. 3.13 показан сборочный чертеж считывающего устройства.

Рис. 3.13. Сборочный чертеж самодельного считывающего устройства
Сборку следует начинать с соединения между собой печатной платы и плексигласовой пластины с квадратным отверстием. Это необходимо сделать при помощи винтов с потайными головками, которые будут утоплены в плексиглас (зенковка сверлом 6 мм). Естественно, головка должна «смотреть» в квадратное отверстие.
Высота крепежных втулок полностью зависит от высоты выбранной головки, которых существует огромное множество. Верхняя часть каждой втулки должна иметь слегка скошенный край, поскольку для качественной регулировки предполагается, что печатная плата (D) не будет параллельна пластине (А).
При соединении второй пластины из оргстекла (В) и промежуточной стеклотекстолитовой пластины (С) следует произвести необходимую подгонку. Магнитная карта вставляется в полученный желобок, при этом надо следить, чтобы головка упиралась в карту и была перпендикулярна последней. С другой стороны, совершенно нормально, если при вынутой карте головка касается противоположной пластины (В) под углом, заметно отличающимся от 90°.
Окончательная сборка производится при помощи двух 3-миллиметровых болтов BTR (под ключ Allen), но можно довольствоваться и обыкновенными винтами, что, однако, менее практично. В любом случае рекомендуется подложить шайбы под обе головки и гайки.
Большой диаметр (6 мм) отверстий, выполненных в стеклотекстолитовой пластине (С), которая играет роль направляющей для карты, позволяет подогнать ее вертикальное расположение таким образом, чтобы головка точно совмещалась с дорожкой, с которой она должна считывать. Естественно, если пластина (В) вырезана из прозрачного плексигласа, это облегчит подгонку.
Для того чтобы считывать различные дорожки, нужно соответствующим образом выбирать размеры пластины из стеклотекстолита (С). Размеры, указанные на рис. 3.12, соответствуют дорожке ISO 2.
Если все этапы сборки были выполнены надлежащим образом, то механическая часть считывающего устройства должна работать отлично. При продвижении карты должно ощущаться легкое сопротивление.
Можно нанести немного воска или растительного масла на направляющую пластину (С), если сопротивление будет существенным. Если давление головки на карту будет слишком большим, необходимо увеличить высоту втулок.
Общий вид механической части устройства приведен на рис. 3.14.


Рис. 3.14. Общий вид механической части считывающего устройства с магнитной картой
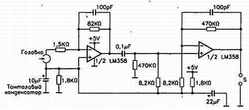
Прежде чем взяться за построение F/2F декодеров, необходимо вспомнить об обыкновенном усилителе, позволяющем восстановить TTL-сигналы, которые были использованы для записи.
Для проведения исследований потребуется осциллограф с памятью. Работа с ним будет особенно интересна тем читателям, которые хотели бы построить декодер на микроконтроллере (мы пытались сделать это на базе PIС-контроллеров фирмы Microchip).
Прямое декодирование можно осуществить посредством процессора достаточно быстродействующего IBM PC-совместимого компьютера при программировании его на ассемблере. Но на практике это все осуществить не так просто, как может показаться.
Схема, представленная на рис. 3.15, включает два каскада усиления и выполнена на ИС сдвоенного операционного усилителя типа LM358. Первый каскад обеспечивает усиление несколько большее, чем в 50 раз, при полосе пропускания в 20 кГц, что достаточно для типичной скорости прохождения карты. Второй работает в режиме насыщения почти как компаратор и выдает прямоугольные сигналы, соответствующие уровням TTL, для чего питание схемы осуществляется от источника напряжения +5 В.

Рис. 3.15. Усилитель считывания
Разрешается увеличить напряжение до 12 В, если возникнет необходимость в более высоких уровнях на выходе.
В коммерческих считывающих устройствах для карт довольно часто применяются более сложные схемы, использующие одну или несколько схем автоматической регулировки усиления (АРУ).
В схеме, представленной на рис. 3.16, сочетаются два способа изменения усиления. Первый состоит во включении нелинейного элемента в цепь отрицательной обратной связи усилителя. В данном случае нелинейный элемент образован двумя (возможно даже четырьмя) диодами, соединенными последовательно с резистором. Это позволяет операционному усилителю работать практически без обратной связи, а значит, с максимальным усилением, пока его выходное напряжение не достигнет значения, достаточного для открывания одного или другого диода. Потом усиление будет определяться резистором.

