Читать книгу 📗 "Магнитные карты и ПК - Гёлль Патрик"
Рис. 3.16. Пример усилительного каскада с АРУ
Второй способ заключается в реализации управляемой мостовой схемы отрицательной обратной связи. Ее параметры меняются посредством транзистора, соединенного с логическими схемами декодирования (вход CDE).
В принципе АРУ значительно улучшает характеристики считывающего устройства. Однако осциллограмма, приведенная на рис. 3.17, показывает, что результаты, достигнутые с помощью нашей упрощенной схемы, уже вполне удовлетворительны.

Рис. 3.17. Результат считывания начальной части цифровой дорожки с плотностью 75 bpi
Полученная на ПК при помощи восьмиразрядного «виртуального осциллографа» (типа ADC10 производства Pico Technology), эта запись относится к началу цифровой дорожки плотностью 75 bpi, считанной на средней скорости прохождения. Хорошо заметны начальные 0, затем флажок start (11010), за которым следует начало блока данных.
Перевод виртуального прибора из режима «осциллограф» в режим «графическое устройство записи» позволил бы получить не 20 бит, а все содержимое дорожки, что дало бы возможность проведения тщательного анализа.
Печатная плата усилителя представлена на рис. 3.18. Ее размеры были подобраны так, чтобы законченный блок мог быть размещен в непосредственной близости от головки считывающего устройства, поскольку важно, чтобы соединительные провода от головки до усилителя были как можно короче (максимум 10 см), даже если они экранированные.

Рис. 3.18. Печатная плата усилителя считывания
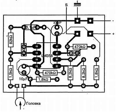
Размещение элементов производится в соответствии со схемой, представленной на рис. 3.19.

Рис. 3.19. Схема размещения элементов усилителя считывания
Если первые попытки считывания закончились успешно, можно изменить некоторые величины компонентов, чтобы изучить их влияние на конечные результаты. Например, было бы интересно изучить влияние подсоединения нелинейной цепи из двух диодов, включенных «валетом», и последовательного резистора номиналом 82 кОм, по аналогии со схемой, изображенной на рис. 3.16.
Внешний вид платы усилителя представлен на рис. 3.20, перечень его элементов — в табл. 3.1.
Таблица 3.1. Перечень элементов усилителя считывания

Рис. 3.20. Внешний вид усилителя считывания
Декодирование сигналов
F/2F можно доверить быстродействующему PIC-микроконтроллеру, но такое решение явно будет более дорогостоящим и менее эффективным, чем использование компонентов, разработанных конкретно для этого случая.
Практически все производители магнитных считывающих устройств продают специальные декодирующие интегральные схемы, которые очень удобны для проектирования специальных считывающих устройств для нестандартных карт или билетов.
Такие компоненты, объединяющие аналоговые и цифровые узлы, обычно изготавливаются известными производителями для эксклюзивного использования фирмой-разработчиком считывающих устройств, которая решает, перепродавать их третьему лицу или нет. Установив различные контакты и, естественно, проведя ряд испытаний, которые можно считать удовлетворительными, мы выбрали двух поставщиков, чья продукция имеет сравнимые характеристики.
Так, немецкая компания Hopt+Schuler предлагает ИС U4085B, изготовленную фирмой Telefunken, а американская компания American Magnetics — свою ИС — 508734-002, изготовленную фирмой Motorola.
Эти марки вполне доступны во Франции, поэтому приобретение как одной, так и другой из названных ИС не должно вызвать особых проблем. Если речь идет о частных лицах, надо обратиться к официальным дилерам.
Как бы то ни было, на этих ИС мы разработали две собственные схемы декодеров, между которыми читатели могут выбирать в зависимости от возможностей приобретения той или иной интегральной схемы.
Немецкая версия
Схема на рис. 3.21 помимо ИС U4085B использует очень небольшое число внешних элементов. Большинство из них, кстати, обеспечивают функционирование интегральной схемы в условиях, несколько отличных от тех, для которых она была изначально разработана.

Рис 3.21. Схема декодера на интегральной схеме U4085B
Предназначенная и для автоматического, и ручного считывающего устройства ИС U4085B, как правило, должна активизироваться с помощью оптического датчика в тот момент, когда тот определяет начало дорожки, предназначенной для считывания.
В частном случае считывающего устройства с ручной подачей гораздо практичней управлять выводом 15 ИС посредством транзистора, открывающегося, как только предусилитель начинает реагировать на начальные нулевые биты, записанные на карте.
Обратите внимание, что для данной схемы требуется транзистор с очень большим коэффициентом усиления — это составной транзистор ВС517. На собственном опыте мы убедились, что обыкновенный транзистор n-р-n типа здесь абсолютно непригоден.
Следует воздержаться от изменения типов и номиналов остальных элементов без полной уверенности в том, что делаешь.
Необходимо помнить, что указанные значения были подобраны для считывания магнитных карт, записанных с плотностью 75 bpi, и что значения, указанные в скобках, рекомендуются для дорожек, записанных с плотностью 210 bpi.
На практике разброс скоростей прохождения карт, допустимый для данного устройства, столь широк, что можно без проблем считывать дорожки с плотностью 210 bpi с номиналами элементов схемы, предназначенными для плотности 75 bpi, при условии, что карту продвигают не слишком быстро. Таким образом, допустимо использовать их для построения универсального модуля. Но, конечно, предпочтительнее следовать указаниям изготовителя в случае считывающих устройств, которые разработаны исключительно для считывания носителей, записанных с плотностью 210 bpi.
Чертеж печатной платы декодера представлен на рис. 3.22, размеры ее также были выбраны с учетом возможности размещения в непосредственной близости от головкодержателя считывающего устройства. Рекомендуется не превышать длину соединительных проводов в 10 см (не экранированных, а просто скрученных).

Рис. 3.22. Печатная плата декодера на ИС U4085B
Схема размещения элементов, приведенная на рис. 3.23, показывает, что интегральная схема, которая поставляется исключительно в корпусе для поверхностного монтажа (SMD), должна припаиваться со стороны печати.

