Читать книгу 📗 "Энциклопедия радиолюбителя - Пестриков Виктор Михайлович"

Рис. 14.3. Принципиальная схема пробника для проверки тринистров и мощных транзисторов
Пробник годится и для проверки тринисторов типа КУ201, КУ202. В этом случае анод тринистора подсоединяют к зажиму X1, управляющий электрод — к Х2, катод — к Х3. В этом случае, переключатель SB1 должен находиться в положении «n-р-n», чтобы на анод и управляющий электрод подавалось плюсовое (по отношению к катоду) открывающее напряжение, а контакты SA1 — разомкнуты. Если при нажатии кнопки SB2 лампочка ELI не загорается, то тринистор исправен, в противном случае — неисправен. При годном тринисторе к выключателю SA1 подключают переменный резистор R1 и вращением его движка из крайнего правого положения по схеме добиваются зажигания лампочки, свидетельствующей об открывании тринистора. Пробник собран из распространенных деталей, резистор R1 типа СП-1, R2 — МЛТ-0,25, выключатели SB1 — тумблер П2К, a SB2 — тумблер ТВ2-1, зажимы для выводов деталей типа «крокодил». Все детали с батареей питания размещаются в соответствующем корпусе.
14.3. Универсальный пробник проверки транзисторов
Пробник, схема которого приведена на рис. 14.4, позволяет проверять как биполярные, так и полевые транзисторы разной структуры, малой и средней мощности. Схема пробника представляет собой генератор звуковой частоты, в котором колебания возникают благодаря обратной связи между затвором 1 и истоком. Для увеличения обратной связи использован повышающий трансформатор Т1, так как коэффициент передачи каскада с таким включением транзистора меньше единицы. Подключив к зажимам испытываемый транзистор, прослушивают колебания генератора через наушники. Вращением оси резистора R5 добиваются устойчивой генерации, если же она отсутствует, то необходимо поменять местами выводы подключения первичной обмотки I трансформатора Т1. В зависимости от структуры транзистора, переключателем SA1 устанавливают нужную полярность подключения источника питания. В конструкции пробника используется согласующий трансформатор от любого промышленного карманного приемника или радиоконструктора «Мальчиш». При самостоятельном изготовлении трансформатора для сердечника используются стандартные пермаллоевые пластины типа Ш4х8, обмотка I содержит 2150 витков, а обмотка II — 320x2 витков. Обе обмотки наматываются проводом ПЭТВ-2 0,06.
Головной телефон BF1 — малогабаритный сопротивлением 50… 1200 Ом, например, ТА-2, ТМ-3 или капсюль ТА-56А. Пробник собирают в небольшой пластмассовой коробочке, на верхней крышке устанавливают гнезда для подключения транзисторов и кнопки включения и переключения полярности источника питания, а на одной из боковых сторон — гнездо для подключения наушников и переменный резистор R5. При проверке выводы биполярных транзисторов подключаются к следующим зажимам: эмиттер — XS5, база — XS2, коллектор — XS4, а полевых транзисторов типа КП103, КП302: исток — XS5, затвор — XS3, сток — XS4; с одним изолированным затвором — подключаются к гнездам.

Рис. 14.4. Принципиальная схема универсального пробника проверки транзисторов
14.4. Приборы обнаружения короткозамкнутых витков в катушках индуктивности
При изготовлении в радиолюбительских условиях контурных катушек, высоко- и низкочастотных трансформаторов и дросселей, в обмотках могут появиться короткозамкнутые витки, которые резко уменьшают их добротность и отрицательно сказываются на работе всего устройства. Для контроля произведенной намотки катушки индуктивности служит прибор, схема которого приведена на рис. 14.5.

Рис. 14.5. Прибор для проверки короткозамкнутых витков
Прибор представляет собой генератор звуковой частоты, который работает в режиме непрерывного генерирования. Его генерация, вплоть до срыва, регулируется резистором R1. Индикатором наличия генерации служит светодиод HL1, а также слышимый при этом звуковой сигнал в виде тонкого писка. Если надеть испытываемую катушку с короткозамкнутым витком на ферритовый стержень прибора, то произойдет срыв генерации, светодиод погаснет, сигнализируя о наличии в катушке короткозамкнутых витков. Причиной появления короткозамкнутых витков могут быть: некачественная намотка, повреждение изоляции, «перехлест» витков и т. д.
Все катушки прибора намотаны на ферритовом стержне марки 400НН диаметром 8 мм и длиной 120…160 мм и содержат следующее количество витков: L1 — 60 витков провода ПЭВ-1 0,2; L2 — 55 и L3 — 220 витков провода ПЭВ-1 0,35. Катушки L2 и L3 намотаны в один слой на ферритовый стержень, a L1 намотана на картонной гильзе, которая способна перемещаться по катушке L2 при подборе максимального свечения светодиода.
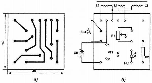
Указанный на схеме транзистор можно заменить на ГТ402 с любой буквой или на П213…П216 с любым индексом. Постоянный резистор R1 типа МЛТ-0,5, а переменный резистор R2 — СПО-0,5. Кнопка SB1 может быть любой малогабаритной с нормально разомкнутыми контактами. Питание прибора осуществляется от трех гальванических элементов типа 316. Все детали прибора монтируются на печатной плате размером 40x40 мм, вырезанной из листового одностороннего фольгированного стеклотекстолита толщиной 0,8 мм (рис. 14.6).

Рис. 14.6. Печатная плата (а) и монтаж на ней деталей (б) прибора для проверки короткозамкнутых витков
Плата вместе с источником питания помещается в подходящий пластмассовый корпус. Ферритовый стержень закрепляется в корпусе таким образом, чтобы одна его половина с катушками находилась в корпусе, а вторая — из него выступала. Возможен случай, когда при короткозамкнутом витке в катушке не происходит срыва генерации, хотя свечение светодиода понижается, а частота генерации повышается, что ощутимо на слух. Этот случай характерен при проверке катушек, обмотки которых намотаны тонким проводом диаметром до 0,15 мм.
14.5. Универсальный генератор-пробник
У радиолюбителя среди сложных приборов должен быть обязательно простой универсальный пробник, позволяющий производить настройку и отыскивать неисправности в аппаратуре в различных экстремальных условиях. На рис. 14.7 представлена схема генератора-пробника.

Рис. 14.7. Принципиальная схема универсального генератора-пробника
Как видно из схемы трансформатор создает сильную положительную обратную связь между коллекторной и базовой цепями транзистора VT1. При этом в схеме возникают колебания сложной формы, имеющие вид периодических остроконечных импульсов. Основная частота колебаний лежит в пределах слышимого звукового диапазона 1,5…3 кГц, а гармоники настолько сильны, что занимают полосу частот вплоть до коротковолнового диапазона. Выходное напряжение генератора составляет 1 В. Для питания пробника могут быть использованы два аккумулятора типа Д-0,06 или две батарейки «таблетки», используемые в часах и калькуляторах.
В генераторе могут быть использованы транзисторы р-n-р, например, типа МП39…МП42 с любой буквой или КТ361. Можно использовать и транзисторы n-р-n типа КТ315 и им подобные, но тогда следует изменить полярность включения источника питания на обратную по отношению к той, что показана на схеме. Конденсаторы С1 и С2 могут быть любого типа, но малогабаритные. Емкость С1 находится в пределах 6800…33000 пФ и подбирается в зависимости от генерации требуемой частоты. Резистор R1 типа МЛТ-0,125. Все обмотки трансформатора Т1 наматываются проводом ПЭЛ-1 диаметром 0,08 на предварительно разломанном и склеенном клеем БФ-2 ферритовом кольце, имеющим внешний диаметр 10 мм и магнитную проницаемость М2000. Первичная обмотка I содержит 500 витков, а вторичная обмотка II — 150 витков.
