Читать книгу 📗 "Энциклопедия радиолюбителя - Пестриков Виктор Михайлович"

Рис. 15.3. Принципиальная схема импульсного фонарика
Как видно, в основе фонарика лежит несимметричный мультивибратор, скважность импульсов (см. Словарь) которого плавно изменяется переменным резистором R3. На транзисторе VT3 собран электронный ключ, который управляет работой лампы EL1. Наибольший интервал между вспышками, который позволяет установить резистор R3 составляет 7 секунд. При самом наименьшем интервале между вспышками, из-за инерционности нити накаливания лампы, свет фонаря кажется непрерывным. В этом случае фонарик работает экономно, так как потребляет незначительную часть электроэнергии батареи. В фонарике могут быть использованы такие детали. Лампочка накаливания на 2,5 В и ток 0,068 А. Транзисторы VT1 и VT2 типа МП39…МП42, a VT3 — МП25, МП26, ГТ402 с желательно с большим статическим коэффициентом передачи тока. Резисторы типа МЛТ-0,125, конденсаторы — К50-6. Монтируется электронное устройство на небольшой печатной плате, размеры которой определяются свободным местом в (фонарике. При исправных деталях регулятор яркости фонарика налаживания не требует. Работоспособность импульсного фонарика сохраняется при снижении напряжения питания до 3 В.
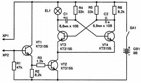
Используя симметричный мультивибратор в качестве индикатора проверяемой цепи, можно построить полезный при налаживании радиоэлектронных конструкций малогабаритный универсальный пробник. Такой пробник позволит обнаружить оборванные и короткозамкнутые участки в жгутах и кабелях, проверить исправность реле, резисторов, конденсаторов, предохранителей, ламп накаливания, определить состояние р-n переходов у диодов и транзисторов. Схема пробника представлена на рис. 15.4.

Рис. 15.4. Принципиальная схема пробника со световой сигнализацией с использованием мультивибратора для проверки радиодеталей
Пробник работает следующим образом.
При замыкании щупов X1 и Х2, на базу подается положительное напряжение, транзисторы VT1 и VT2 открываются и начинает работать мультивибратор, собранный на транзисторах VT3 и VT4. Об этом свидетельствует мигание лампочки накаливания. При разомкнутых щупах лампочка не горит, так как не работает мультивибратор. При желании вместо светового сигнала можно ввести звуковой, включив вместо лампочки наушник ДЭМШ-1А. Если заменить резистор R6 на наушник, то получим пробник с двумя оповещающими сигналами — световым и звуковым.
Пробник позволяет проверять цепи сопротивлением до 100 кОм, при токе в исследуемом участке до 200 мкА. Максимальный потребляемый ток прибором в импульсе составляет 20 мА. Для питания прибора используется батарея «Крона». В приборе используется транзисторная сборка К1НТ251, при ее отсутствии можно использовать транзисторы КТ315Б, резисторы типа МЛТ-0,125, а электролитические конденсаторы — К53-14. Лампа СМИ 10-50-2. Все детали пробника смонтированы на печатной плате размером 65x14 мм. К плате припаян щуп ХР2 (игла), щуп ХР2 соединен с ней проводом МГТ 0 0,14 мм. Пробник при исправных деталях начинает работать сразу и не требует настройки.
Генератор-пробник конечно не заменит в полной мере генератор стандартных сигналов (ГСС), но все же, имея стандартные фиксированные частоты, облегчит настройку супергетеродинных приемников, проверит исправность усилителей звуковой и низкой частоты, переходных цепей и другое. Электронный пробник является довольно универсальным прибором, в частности, он может выполнять функции модулятора и генератора. Генератор-пробник состоит из двух генераторов: высокой и звуковой частоты. Его схема приведена на рис. 15.5.

Рис. 15.5. Принципиальная схема генератора-пробника с использованием мультивибратора для настройки ВЧ и НЧ каскадов радиоаппаратуры
Звуковой генератор собран по схеме мультивибратора на транзисторах VT1 и VT2. Частота колебаний звукового генератора составляет 1000 Гц. Высокочастотный генератор собран по схеме с индуктивной обратной связью на транзисторе VT3. Катушка связи L1 включена в цепь коллектора транзистора. Напряжение обратной связи снимается с части витков контурной катушки L2 и через конденсатор С4 поступает в цепь эмиттера. База транзистора по переменному току заземлена через конденсатор С3.
Когда переключатель находится в положении 2, 3 или 4 каскад работает в автоколебательном режиме. В положении 1 каскад превращается в эмиттерный повторитель и на выходе имеем звуковой сигнал. Высокочастотный генератор в зависимости от положения выключателя вырабатывает следующие частоты: 465 кГц для настройки фильтров ПЧ (положение 3), 400 кГц для настройки начала диапазона ДВ (положение 2) и 1500 кГц (положение 4) для настройки начала диапазона СВ. Напряжение на выходе генератора-пробника составляет 100 мВ. Питается прибор от одного гальванического элемента типа 316.
Катушки пробника намотаны на общем каркасе проводом ПЭЛШО 0,12 и помещены в броневой сердечник СБ-12а. Количество витков катушки L1 — 25, L2 —105 с отводом от 17 витка. Резисторы и конденсаторы — малогабаритные. Все детали прибора смонтированы на печатной плате размером 75x37x2 мм, которая помещена в алюминиевый экран от электролитического конденсатора диаметром 38 мм.
Настройка прибора производится с помощью любого промышленного радиоприемника. Вначале проверяют работу низкочастотного генератора. Устанавливают переключатель SA1 в положение 1 (1000 Гц) и подают сигнал на вход усилителя звуковой частоты. В громкоговорителе должен прослушиваться звук среднего тона. Ввернув сердечник катушки на 3/4 длины, устанавливают переключатель SA1 в положение 2 (400 кГц), что соответствует длине волны 750 м. Образцовый радиоприемник настраивают на волну 750 м и касаются щупом ХР2 гнезда внешней антенны приемника. В громкоговорителе должен прослушиваться звук подобный звуку мультивибратора В противном случае, вращая ручку настройки приемника, уточняют генерируемую частоту пробника. Подбирая емкость конденсатора С6, добиваются появления звука на отметке шкалы приемника 750 м. При отсутствии звука среднего тона следует поменять выводы подключения катушки L1.
Далее устанавливают переключатель SA1 в положение 3 (465 кГц) и соединяют щуп ХР2 через конденсатор емкостью 3…5 пФ с коллектором транзистора преобразовательного каскада. В громкоговорителе должен прослушиваться звук среднего тона. Если нет, то подбирают емкость конденсатора С7 или подстраивают сердечник катушки. После вращения нужно повторить операции настройки в положении 2 переключателя SA1. И наконец, установив переключатель SA1 в положение 4 (1500 кГц, волна 200 м), производят настройку прибора, как это делалось в положении 3.
Устройство для проверки катушек индуктивности со звуковой сигнализацией можно собрать по схеме рис. 15.6.а. Используется такая же схема звукового генератора, что и предыдущей конструкции. Отличие состоит в конструкции сердечника. П-образный сердечник катушки L1 генератора из полосок обычной жести, ширина и количество которых определяется внутренними размерами каркаса катушки (рис. 15.6.б).

