Читать книгу 📗 "Искусство схемотехники. Том 2 (Изд.4-е) - Хоровиц Пауль"
Счетчик частоты. Фирма Intersil имеет хороший набор интегральных счетчиков частоты. Они включают средства блокировки входного сигнала для точного определения интервалов, до восьми цифр двоично-десятичного счетчика, дисплейные формирователи и т. д. Эти кристаллы обычно требуют очень мало внешней схемотехники.
Цифровые вольтметры. Вы можете получить цифровые вольтметры на одном кристалле. Они включают цепи аналого-цифрового преобразователя и необходимой синхронизации, схемы счета и управления дисплеем. Примерами таких устройств являются маломощный 3,5-разрядный АЦП ICL7136 и 4,5-разрядный АЦП ICL7129; оба используют жидкокристаллический семисегментный индикатор и работают от одной батареи 9 В.
Схемы специального назначения. Существуют прекрасные наборы БИС кристаллов для областей, подобных радиосвязи (например, синтезаторы частоты), для цифровой обработки сигналов (умножители/накопители, цифровые фильтры), корреляторы, арифметические устройства), передачи данных (универсальных), асинхронные приемопередатчики, модемы, сетевые интерфейсы, ИС кристаллографирования (декристаллографирования данных, преобразователи последовательных форматов). Часто эти кристаллы используются совместно с устройствами на базе микропроцессоров и многие из них не могут работать в одиночку.
Кристаллы для бытового применения. Полупроводниковая промышленность любит разрабатывать ИС для использования их в изделиях большого рынка. Вы можете получить однокристальные схемы для изготовления цифровых (иди «аналоговых») часов, таймеров, замков, калькуляторов, детекторов дыма, телефонных аппаратов, синтезаторов музыки, генераторов ритма и аккомпанемента и т. д. Что касается радиоприемников, телевизоров, компакт-дисков, то сейчас в этом отношении дело обстоит хуже из-за большой степени интеграции. Синтез речи (и особенно распознание речи) в последнее время получил некоторое развитие; вот почему лифты, автомобили и даже кухонные аппараты обращаются теперь к нам теми голосами, которые мы любим. Судя по всему, следующим большим шагом будет разработка эффективных автомобильных схем (для выполнения функций двигателя, систем предотвращения столкновений и т. п.).
Микропроцессоры. Самым выдающимся примером «чуда» БИС является микропроцессор (компьютер на кристалле). На одной вершине находятся мощные цифровые приборы, подобные 68020/30 и 80386/486 (32-разрядные быстрые процессоры с предвыборной команд, виртуальной памятью, мощнейшие арифметические сопроцессоры) и кристаллы, подобные MicroVAX, которые эмулируют существующие большие компьютеры. На другой вершине — однокристальные процессоры с различными функциями ввода, вывода и памяти, работающие самостоятельно. Например, один из последних образцов, это TLCS-90 фирмы Toshiba (рис. 8.86), представляющий маломощный КМОП микроконтроллер с 6-канальным 8-разрядным АЦП, встроенными таймерами, ОЗУ и ПЗУ, 20-двунаправленными цифровыми линиями ввода/вывода, последовательным портом и двумя портами для управления шаговыми двигателями. Этот прибор больше предназначен для задач управления, чем для проведения вычислений.

Рис. 8.86. Однокристальный микропроцессор со схемами ввода/вывода.
Революция в микропроцессорах не проходила в одиночестве, и мы видим удвоение компьютерной мощности и размера памяти (в настоящее время 1 Мбит, сравните с 16 Кбит на кристалле на время написания первого издания этой книги) каждый год, в то же время цены развиваются драматически (рис. 8.87). Наряду с укрупнением и улучшением процессоров и памяти, последние работы сверхскоростных приборов и больших параллельных архитектур обещают более волнующие события в последующие годы.

Рис. 8.87. Закон Кремниевой Долины: кривая обучения.
Некторые типовые цифровые схемы
Благодаря усилиям полупроводниковой промышленности цифровые схемы удивительно легки и приятны. Почти нет случаев, когда приходится класть цифровую схему на «хлебную доску», как это часто происходит с линейными схемами. Вообще говоря, единственными серьезными проблемами являются синхронизация и шумы.
Мы в последующем расскажем об этом. Здесь уместно проиллюстрировать синхронизацию на нескольких примерах последовательностных схем. Некоторые из этих функций могут быть выполнены с помощью БИС, однако рассматриваемые реализации сделаны на хорошем уровне и позволяют проиллюстрировать, какого типа схемы можно строить с помощью имеющихся средств.
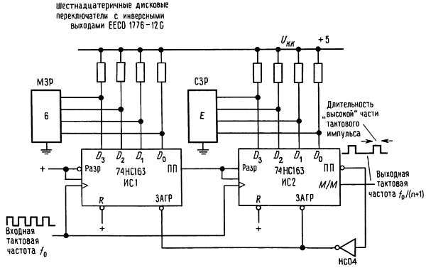
8.29. Счетчик по модулю n
Изображенная на рис. 8.88 схема на каждые n входных тактовых импульсов вырабатывает один выходной импульс. Значение n есть 8-разрядное число, которое вы задаете с помощью двух барабанных шестнадцатеричных переключателей. Схемы `163 являются 4-разрядными синхронными суммирующими счетчиками с синхронной загрузкой (когда вход LD'- низкий) через D-входы. Идея состоит в загрузке дополнительного кода, счете вверх до FFn и перезагрузке по следующему тактовому импульсу. Поскольку мы сформировали значение перезагрузки с помощью источника +5 (с общим заземленным выводом переключателя), то эти уровни являются отрицательно-истинными для отображения набора переключателей, это означает, что загружаемые значения интерпретируются как истинные положительные, равные дополнительному до 1 значению, установленному на переключателях.

Рис. 8.88. Счетчик по модулю n.
Упражнение 8.35. Путем вычисления истинного положительного значения, которое будет установлено на переключателях рис. 8.88, докажите истинность последнего утверждения.
Работа схемы совершенно очевидна. Для каскадирования синхронных счетчиков вы соединяете все тактовые входы вместе, затем соединяете выход «максимальный счет» каждого счетчика с разрешением следующего счетчика. Для схемы `163 выход RCO (ripple-clock output — выход переполнения ПП) выставляет ВЫСОКИЙ уровень при максимальном счете, разрешая второму счетчику посредством установления разрешения (ВЫСОКОГО уровня) на входах ENT и ENP (Разр). Таким образом, ИС1 повышает свое значение на каждый тактовый импульс, а ИС2 повышает свой счет на каждый тактовый импульс после того, как ИС1 насчитает значение Fn. Таким образом, два счетчика считают пока не достигнут состояния FFn, в этой точке входы загрузки LD' устанавливаются в истинное значение. Это приводит к синхронной предзагрузке на следующем такте. Здесь мы выбрали счетчики с синхронной загрузкой для того, чтобы избежать логических состязаний (и короткого импульса RCO), которые могут возникнуть в счетчике с асинхронной загрузкой. К сожалению, счетчик при этом делит на n + 1, а не на n.
Упражнение 8.36. Объясните, что произойдет, если счетчик с асинхронной загрузкой (например, `191) заменить на счетчик с синхронной загрузкой `163. Покажите, в частности, как могут образовываться короткие импульсы. Покажите также, что предыдущая схема делит на n + 1, в то время как при асинхронной загрузке будет осуществляться деление на n (если схема вообще будет работать).
Временная диаграмма. До какой максимальной частоты может считать наш счетчик? Схема 74НС163 имеет гарантированную максимальную частоту счета fмакс 27 МГц. Однако в нашей схеме существуют дополнительные временные задержки, связанные с каскадным соединением (ИС2 должна «узнавать», что ИС1 уже достигла максимального счета за время до следующего тактового импульса), и с соединением «загрузка при переполнении». Для изображения максимальной частоты, при которой гарантируется работа схемы, мы должны добавить задержку для наихудшего случая и быть уверенным, что остается достаточно времени да переустановку. Посмотрите на рис. 8.89, где мы изобразили временную диаграмму, показывающую последовательность загрузки, которая выполняется при максимальном счете.
