Читать книгу 📗 "Искусство схемотехники. Том 2 (Изд.4-е) - Хоровиц Пауль"

Рис. 8.89. Временная диаграмма счетчика по модулю n и расчет максимальной скорости работы.
Изменение сигнала с НИЗКОГО на ВЫСОКИЙ уровень на каком-либо выходе Q следует за положительным фронтом тактового сигнала максимум через 34 нc. Это интересно (но не относится к делу), что загружаемая последовательность использует выход RCO (переноса); сигнал RCO следует за положительным фронтом тактового импульса, что при максимальной частоте счета составляет максимум 35 нc. Сигнал переноса RCO ИС2 появляется после наличия входного разрешения (при условии, конечно, что это происходит при максимальном счете) максимум через 32 нc. Схема 74НС04 добавляет задержку максимум в 19 нc для генерации сигнала ЗАГРУЗКА' (LD'), которая должна предшествовать сигналу такта (isetup) как минимум на 30 нc. Что приводит нас к следующему тактовому импульсу; таким образом 1/fмакс = (35 + 32 + 19 + 30) нc, или fмакс = 8,6 МГц. Что значительно меньше, чем максимально гарантируемая частота счета одного 74НС163.
Упражнение 8.37. Покажите, проведя подобное вычисление, что два синхронных каскадно соединенных счетчика 74НС163 (без загрузки при переполнении) имеют максимальную частоту счета 15,4 МГц.
Конечно, если вам необходима более высокая скорость, вы можете использовать более быструю логику. Проделав те же самые вычисления для логики 74F (для которой максимальная частота счета одного счетчика 74F163 составляет 100 МГц), мы находим fмакс = 29 МГц. Нужно отметить устройство `НС40103 при рассмотрении счетчиков по модулю n, которое представляет собой 8-разрядный синхронный вычитающий счетчик с параллельной загрузкой (синхронной или асинхронной), с дешифрацией нулевого состояния и входом сброса в максимальное состояние. Этот счетчик имеет близкого родственника `НС40102, идентичного, за исключением его «организации», сдвоенному двоично-десятичному.
8.30. Мультиплексируемый цифровой индикатор на светодиодах
Этот пример иллюстрирует метод мультиплексного отображения, который заключается в том, что n цифр каждого числа последовательно и быстро воспроизводится на 7-сегментных светодиодных индикаторах. (Могут, конечно, использоваться не только цифровые символы, и конструкция индикаторов может отличаться от распространенной 7-сегментной организации). Коммутация индикаторов применяется для экономии и упрощения: непрерывное воспроизведение каждого знака требует установки для каждой цифры индивидуальных дешифраторов, формирователей и токоограничивающих резисторов, а также индивидуальных связей между каждым регистром и соответствующим дешифратором (4' линии) и между каждым формирователем и соответствующим индикатором (7 проводов); жуткая путаница!
В методе мультиплексирования требуется лишь один дешифратор/формирователь и один набор токоограничивающих резисторов. Кроме того, так как светодиодные цифровые индикаторы выпускаются в виде n-символьных галет, причем соответствующие сегменты всех символов объединены, количество взаимных соединений сокращается довольно существенно. Так, 8-знаковый индикатор требует 15 соединений при использовании этого метода (7 сегментных входов, общие для всех цифр, плюс один катод или анод в цепи возврата каждой цифры), при непрерывном же воспроизведении их потребуется 57. Еще одно любопытное преимущество этого метода состоит в том, что субъективно воспринимаемая глазом яркость будет в этом случае выше, чем при непрерывном свечении всех цифр при той же средней яркости.
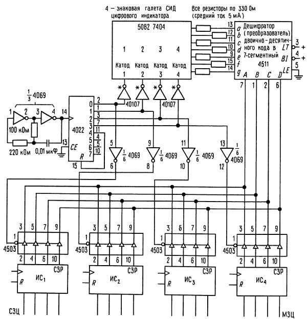
На рис. 8.90 изображена принципиальная схема индикации.

Рис. 8.90. Коммутируемый цифровой индикатор для четырех знаков. Числа с внешней стороны графических обозначений соответствуют номерам контактов ИС.
Цифры, которые должны быть воспроизведены на индикаторе, хранятся в регистрах ИС1-ИС4. Вместо регистров можно использовать счетчики, если устройство представляет собой счетный частотомер или набор защелок (триггеров), получающих данные от компьютера или выхода АЦП и т. п. В этом случае при данном методе каждая цифра последовательно вводится на внутреннюю 4-разрядную шину (в рассматриваемом примере через КМОП-буферы с тремя состояниями 4503), дешифрируется и отображается на индикаторе (схема 4511 представляет дешифратор двоично-десятичного кода в 7-сегментный с формирователем сигналов управления цифровым индикатором).
В этой схеме два инвертора используются для получения классического КМОП генератора, работающего на частоте 1 кГц и подающего сигналы на 8-разрядный счетчик-дешифратор 4022. Каждый выход счетчика последовательно устанавливается в состояние ВЫСОКОГО уровня и выводит на шину очередную цифру.
Одновременно он запитывает катод соответствующего индикатора, подавая на него НИЗКИЙ уровень через мощный буфер с открытым коллектором 40107. Счетчик 4022 циклически проходит состояние от 0 до 3, а при достижении числа 4 каждый раз сбрасывается. Мультиплексируемая индикация может работать и при большем количестве цифр. Она повсюду используется в многоцифровых индикаторах на светодиодах. Попытайтесь посмотреть вокруг — перед вашими глазами море цифр и знаков.
Многие БИС, ориентированные на воспроизведение информации, как, например, счетчики, реле времени и часы, содержат встроенную схему коммутации индикатора и даже формирователи. Более того, существуют БИС управления индикацией (например, 74С922 и 74Ц912); они проделывают всю ту работу, которая раньше выполнялась с помощью ИМС средней степени интеграции.
8.31. Привод звездного телескопа
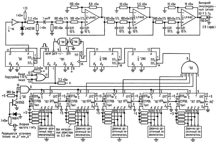
Схема, изображенная на рис. 8.91, была спроектирована для управления приводом Гарвардского 62-дюймового оптического телескопа.

Рис. 8.91. Прецизионный формирователь сигнала переменного тока частотой 60 Гц. Выходная частота равна хх. ххх. Для задания звездной скорости ключи устанавливаются на значение 60 165.
Для питания экваториального привода двигателя (совершающего 1 оборот в день) требуется источник электроэнергии переменного тока, частота которого должна устанавливаться равной любому значению около 60 Гц (скажем, от 55 до 65 Гц). Эта частота не может точно равняться 60 Гц по следующим причинам: а) звезды и Солнце движутся с разной скоростью, поэтому потребуется частота порядка 60,1643 Гц; б) проходя наклонно через атмосферу, звездный свет претерпевает рефракцию; это преломление зависит от зенитного узла и, следовательно, видимое движение будет происходить с неравномерной скоростью; в) иногда может возникнуть желание взглянуть на Луну, планеты или кометы, которые движутся с неодинаковыми скоростями. Было решено использовать 5-значный дискретный умножитель частоты для получения выходных импульсов с частотой следования fвхn/105, где n — пятизначное десятичное число, которое устанавливается на передней панели с помощью двоично-десятичных барабанных переключателей.
Выходная частота умножителя будет порядка 600 кГц, поскольку входная частота fвх формируется стабильным кварцевым генератором и равна точно 1 МГц. На выходе умножителя частота делится на 104 посредством четырех декадных счетчиков, причем последний счетчик выполнен в виде делителя на 5, а после него установлен делитель на 2, служащий для получения симметричных импульсов с частотой 60 Гц. Для стабилизации амплитуды прямоугольной формы выходной сигнал поступает на ограничитель, выполненный на стабилитроне, а затем с помощью 6-звенного НЧ-фильтра Баттерворта с частотой среза f0, равной 90 Гц, преобразуется в хороший синусоидальный сигнал. (Можно считать, что фильтр «вычищает» из прямоугольного сигнала высшие гармонические составляющие, или «обертоны»). Далее, с помощью усилителя с «перекомпенсацией», рассмотренного в разд. 4.35, вырабатывается переменное напряжение 115 В.
