Читать книгу 📗 "Искусство схемотехники. Том 2 (Изд.4-е) - Хоровиц Пауль"
Выходной сигнал фильтра на экране осциллографа выглядит идеальным, так как 6-звенный фильтр Баттерворта позволяет в данной схеме снизить наибольшую гармонику до 1,5 % от значения амплитуды нефильтрованного сигнала, что означает затухание более чем на 35 дБ. Заметим, что данный метод формирования синусоидальных колебаний удобен лишь тогда, когда частота входного сигнала ограничена узким диапазоном. Входы управления ±10 % позволяют изменять частоту выходного синусоидального сигнала на 10 % за счет того, что коэффициент деления третьего делителя устанавливается равным 9 или 11. Эта ступень представляет собой делитель по модулю n, изображенный на рис. 8.88.
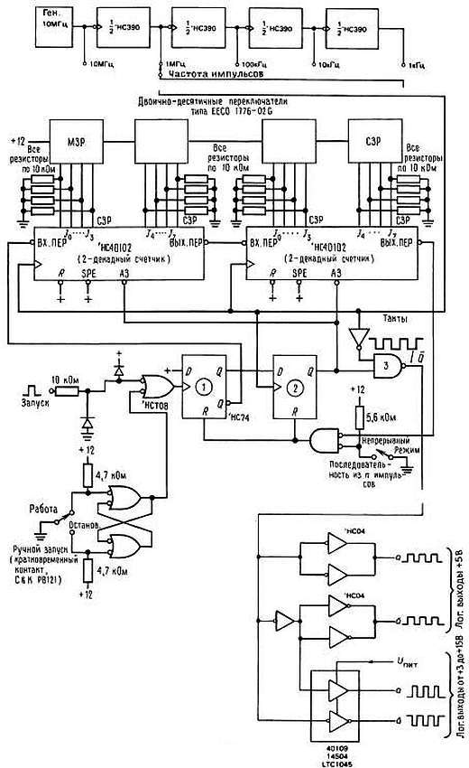
8.32. Генератор последовательности из n импульсов
Генератор последовательности из n импульсов представляет собой широко используемый небольшой прибор для тестирования. По внешнему сигналу запуска (или используя ручной запуск) он вырабатывает на выходе пачку из n импульсов с заданной частотой следования, которая может иметь ряд дискретных значений. На рис. 8.92 показана принципиальная схема генератора.

Рис. 8.92. Генератор последовательности из n импульсов.
Интегральные схемы `НС40102 представляют собой КМОП высокоскоростные 2-декадные вычитающие счетчики, тактируемые непосредственно частотой, выбираемой десятичным делителем, подключенным к 10-МГц кварцевому генератору. Счетчики делителя могут блокироваться либо активным уровнем на выходе A3 (асинхронная загрузка), либо пассивным уровнем на входе переноса (Вх. пер.). Когда запускающий импульс появляется (заметим, что используется `НСТ-серия на входе для совместимости с биполярной ТТЛ), триггер-1 выдает разрешение счетчику, а триггер-2 обеспечивает синхронизацию счета после следующего положительного фронта тактового импульса. Тактовые импульсы проходят через вентиль И-НЕ-3 до тех пор, пока счетчики не достигнут нуля, в это время оба триггера сбрасываются в исходное состояние; осуществляется параллельная загрузка в счетчик числа n, задаваемого двоично-десятичными переключателями, запрещается счет и схема готова для другого запуска. Заметим, что использование резисторов, подключенных к общему проводу, в этой схеме означает, что должны быть использованы двоично-десятичные переключатели в прямом коде (предпочтительнее, чем в дополнительном). Отметим также, что вход ручного запуска должен иметь защиту от дребезга, так как он тактирует триггер. Защита от дребезга не требуется для переключателя режимов, который просто разрешает формирование на выходе непрерывной последовательности импульсов.
Выходной каскад обеспечивает две пары прямых и инвертированных сигналов. Запараллеленные инверторы `НС04 выдают обычный логический размах +5 В благодаря использованию технологии КМОП. Мы запараллелили инверторы для увеличения нагрузочной способности. Схема может обеспечивать по крайней мере ток нагрузки ±10 мА при логических уровнях, отличающихся на 0,3 В от границ напряжения питания. Если вам требуется больший выходной ток, вы можете заменить инверторы на схемы `АС04, запараллеленная пара которых будет давать выходной ток до +50 мА при таких же значениях логических уровней.
Мы добавим пару усилителей, изображенных в прямоугольнике, которые могут управлять логикой, способной работать при напряжении, отличном от +5 В: например, маломощные часто используемые при проектировании КМОП серии 4000В и 74С работают непосредственно от батарей +9 В (они нормально работают при напряжении от 3 до 15 В); НС-логические элементы работают при напряжении питания от 2 до 6 В. Было выдвинуто предложение, чтобы КМОП серия `АС оперировала при напряжении +3,3 В (JEDEC стандарт N08). Интегральные схемы 40109, 14504 и LTC1045 являются преобразователями уровней, это кристаллы с активным выходным каскадом, который запитывается от второго источника питания, который может быть выше или ниже напряжения +5 В. Таким образом, мы получаем чистые логические уровни КМОП-схем.
Патология в логических схемах
Существуют интересные, а иногда и просто забавные ловушки, подстерегающие ничего не подозревающего разработчика цифровых схем. Некоторые из них, такие как логические гонки и тупиковые ситуации, могут возникать независимо от типа используемых логических схем. Другие (как, например, эффект тиристорного включения в кристаллах КМОП) представляют собой «генетические аномалии» того или иного семейства. Ниже мы попытаемся обобщить наш печальный опыт и надеемся, что приведенные анекдоты помогут избежать другим тех же ошибок.
8:33. Проблемы статических режимов
«Тупиковое состояние». Легко попасть в ловушку, построив схему, имеющую «мертвое» состояние. Допустим, имеется какое-то устройство с рядом триггеров, которые в процессе работы проходят через заданные состояния. Кажется, что схема действует превосходно, но в один прекрасный момент она намертво останавливается. Единственный способ заставить ее опять работать — это выключить питание, затем снова его включить. Такая ситуация из-за того, что схема имела «мертвое» состояние (запрещенное состояние системы, которого не удалось избежать), в которое она и угодила под воздействием каких-то переходных помех по цепи питания. При разработке цифровых схем очень важно выявить подобные состояния и строить логику таким образом, чтобы схема могла автоматически восстанавливаться. Как минимум, должен быть предусмотрен сигнал начальной установки (вырабатываемый от кнопки, при включении питания и т. д.), который мог бы возвращать систему в нормальное состояние. При наличии такого сигнала никаких других мер может и не потребоваться (см. упражнение 8.24).
Начальная установка. Этот вопрос возникает при определении состояния системы в начальный момент. В любом случае полезно иметь какой-либо сигнал, который обеспечивал бы начальную установку. Иначе при включении питания в системе могут происходить непонятные вещи. На рис. 8.93 показана подходящая схема. Последовательно включенный со входом вентиля резистор необходим при использовании КМОП-схем, что позволяет избежать повреждения схемы при отключении питания, так как в противном случае электролитический конденсатор будет пытаться запитать систему через защитный диод входного вентиля КМОП. Хорошей идеей является использование триггера Шмитта (4093, `14), благодаря которому снятие сигнала СБРОС происходит чисто. Символ гистерезиса на рисунке означает, что на входе инвертора установлен триггер Шмитта, собранный, например, на ТТЛ 74LS14 (6 инверторов), либо КМОП 40106, либо 74С14.

Рис. 8.93. Схема для формирования сигнала сброса при включении питания.
8.34. Проблемы при переключениях
Логические гонки. Здесь скрываются многие коварные ловушки. Классический случай логических гонок был описан в разд. 8.19 на примере синхронизатора импульсов. В любом случае, когда вентили управляются сигналами от триггеров, необходимо убедиться в том, что в схеме не может возникнуть ситуация, в которой к моменту тактирования триггера вентиль открывается, а по истечении задержки на триггере закрывается. Сигналы, возникающие на входах триггеров, не должны быть задержанными по отношению к тактовым импульсам (еще одно преимущество синхронной системы!). В общем случае задерживайте такты, но не информацию. Необычно легко проглядеть возможность возникновения логических гонок.
